Отримати консультацію
Телефонуйте: +38 067 364 63 17 +38 099 062 70 17 Пишіть: nasos221@gmail.com
Телефонуйте: +38 067 364 63 17 +38 099 062 70 17 Пишіть: nasos221@gmail.com
Даний товар сертифікований.
Опис:
Кран кульовий 11с332п, з редуктором:
Він виготовлений з фланцями, розміри яких дозволяють встановлювати його на:
Робоча середа:
Конструкція і матеріали:

|
№ |
Деталь |
Матеріал |
|
1 |
Пробка кульова |
Сталь 12Х17 ГОСТ 5632 |
|
2 |
Шток |
Сталь 20Х13 ГОСТ 5632 |
|
3 |
Патрубок, корпус |
Сталь 20 ГОСТ 1050 |
|
4 |
Ущільнювальне кільце кулі |
Фторопласт - ф 4к20 ГОСТ 10007 |
|
5 |
Втулка закріплювальна |
Сталь 08Х13 ГОСТ 5632 |
|
6 |
Пружина тарілчаста |
Сталь 65Г ГОСТ 14959 |
|
7 |
Шайба опорна |
Сталь 3 ГОСТ 103 |
|
8 |
Ущільнення штока |
Фторопласт - Ф4 ГОСТ 10007 |
|
9 |
Ущільнювальне кільце штока |
Фторсилоксан |
|
10 |
Фланець |
Сталь 3сп ГОСТ 535 |
|
11 |
Редуктор |
ISO 5211 |

|
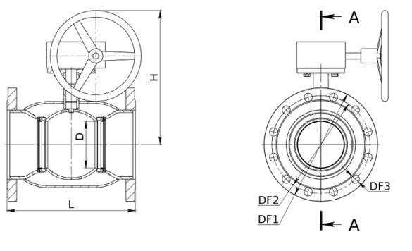
DN |
D |
PN |
L |
H |
DF1 |
DF2 |
DF3 |
n |
W |
|
300 |
250 |
25 |
750 |
614 |
485 |
430 |
30 |
16 |
245,2 |
| Запірна Арматура | |
| Діаметр, мм | DN 300/250 |
| Клас герметичності | А |
| Корпус | сталь |
| Робоча температура | -35 +180ºС |
| Робоче середовище | вода, пар, неагрессивные газы, нефтепродукты. |
| Тип з'єднання | фланец/фланец |
| Тип приводу | механический редуктор |
| Тип проходу | стандартно-проходной |
| Тиск | PN 25 |