Кран кульовий 11с941п DN 100/100

Виробник: BREEZE
Модель: 11с941п DN 100/100
Кран кульовий 11с941п DN 100/100
0 грн.

  • Наявність: На складі


Отримати консультацію

Отримати консультацію

Телефонуйте: +38 067 364 63 17 +38 099 062 70 17 Пишіть: nasos221@gmail.com

Сертифікований товар

Сертифікований товар

Даний товар сертифікований.

Опис:

Кран кульовий сталевий 11с941п: призначений для установки в трубопровідній системі. Є запірним пристроєм і дозволяє перекривати потік робочого середовища через вузол трубопроводу.

  • фланець/фланець,
  • стандартнопроходной, повнопрохідний.

Застосування: Кран можна використовувати для середовищ, які нейтральні (тобто не вступають в хімічну реакцію) до матеріалів, з яких він виготовлений, а також для тих, які не мають у своєму складі абразивних домішок, які здатні пошкодити фторопластове ущільнення, тим самим порушуючи герметичність затвора. Також існують особливі вимоги до транспортування небезпечних або летких речовин, яким кран може не відповідати. Прикладом цього може бути аміак, який не вступає в реакцію зі сталлю, проте є дуже небезпечним летючим речовиною, тому сполучні фланці арматури для його транспортування повинні бути виготовлені у виконанні 4 і 5 згідно з ГОСТ 12815 («шип-паз»). 

11с941п PN16. Виготовлені на базі основних типів, модифікованих для установки приводу арматури по ISO 5210 і ISO 5211. Будівельні довжини, ефективні діаметри, приєднувальні розміри, робочі та умовні тиску відповідають основним типів кранів. Висота штока кранів для встановлення електроприводу більше, ніж у основних моделей.

Діапазон робочої температури: для крана становить від -35 ºС до +180 ºC

Робоча середовище: природний газ, вода, нафтопродукти та інші інертні матеріали.

Конструкція і матеріали:

  • Корпус і всі елементи, які піддаються експлуатаційним навантаженням, виготовлені з високоякісної сталі. 
  • Герметичність крана забезпечується спеціальним ущільнювачем з фторопласту і фторсилоксана.
  • Монтується в систему трубопроводу за допомогою фланцевого з'єднання.
  • Відноситься до типу повнопрохідні кранів. 

Деталь

Матеріал

1

Пробка кульова

Сталь 12Х17 ГОСТ 5632

2

Шток

Сталь 20Х13 ГОСТ 5632

3

Патрубок, корпус

Сталь 20 ГОСТ 1050

4

Ущільнювальне кільце кулі

Фторопласт - ф 4к20 ГОСТ 10007

5

Ущільнення штока

Фторопласт - Ф4 ГОСТ 10007

6

Кільце ущільнювальне штока

Фторсилоксан

7

Фланець

Сталь 3сп ГОСТ 535

8

Шпилька

Сталь 10 ГОСТ 1050

9

Шайба гроверная

Сталь 65г ГОСТ 14959

10

Гайка

Сталь 10 ГОСТ 1050

11

Ущільнення корпусу

Фторопласт - Ф4 ГОСТ 10007

12

Фланець приводу

Сталь 3сп ГОСТ 535

 

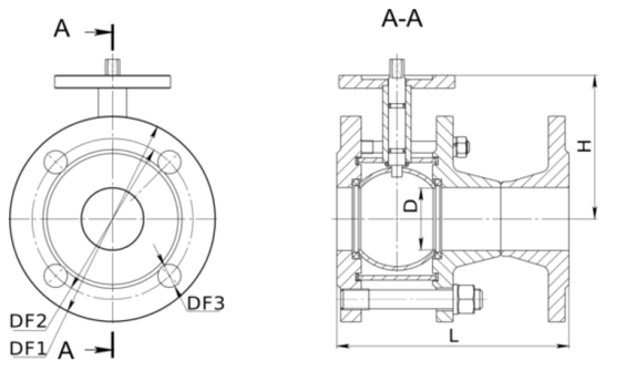
DN

D

PN

L

H

DF1

DF2

DF3

n

ISO

M

W

100

100

16

350

183

215

180

18

8

F10

200

31.5

Запірна Арматура
Діаметр, мм DN 100/100
Клас герметичності А
Корпус сталь
Робоча температура -35 +180ºС
Робоче середовище природный газ, вода, нефтепродукты и другие инертные материалы.
Тип з'єднання фланец/фланец
Тип приводу под электропривод
Тип проходу стандартнопроходной, полнопроходной
Тиск PN 16

Написати відгук

Увага: HTML не підтримується!
    Погано           Добре