Отримати консультацію
Телефонуйте: +38 067 364 63 17 +38 099 062 70 17 Пишіть: nasos221@gmail.com
Телефонуйте: +38 067 364 63 17 +38 099 062 70 17 Пишіть: nasos221@gmail.com
Даний товар сертифікований.
Призначення: Розроблено спеціально для індивідуальних і колективних систем опалення, кондиціювання та гарячого водопостачання.
Робочий діапазон: Продуктивність: від 0,6 до 8,4 м3/год, напір: до 21 м.
Діапазон температур рідини: від -15°C до +120°C.
Робочий тиск: 10 бар (1000 кПа).
Максимальна температура окружаючей середовища: +40°C.
Клас захисту: IP 55.
Клас ізоляції: F.

|
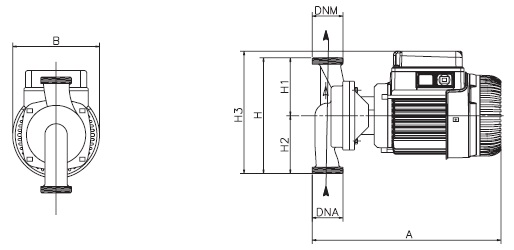
A |
B |
C |
L |
I Ø |
H |
H1 |
H2 |
H3 |
DNA NPT |
DNM NPT |
РОЗМІР УПАКОВКИ |
ВАГА КГ |
К-ВО НА ПАПЛЕТЕ |
||
|
L/A |
L/B |
H |
|||||||||||||
|
300 |
136 |
- |
- |
- |
180 |
90 |
90 |
190 |
1 ½ " G-M |
1 ½ " G-M |
332 |
202 |
257 |
39 |
7,5 |
| Насоси | |
| Qmax, м3/год | 2,4 |
| Hmax, м | 1,9 |
| Двигун, кВт | 0,059 |
| Температура рідини | +120°C |
| Робочий тиск | 10 бар |
| Клас ізоляції | F |
| Ступінь захисту | IP 55 |
| Кількість фаз | 1 |