Отримати консультацію
Телефонуйте: +38 067 364 63 17 +38 099 062 70 17 Пишіть: nasos221@gmail.com
Телефонуйте: +38 067 364 63 17 +38 099 062 70 17 Пишіть: nasos221@gmail.com
Даний товар сертифікований.
Призначення: Розроблено спеціально для індііндивідуальні і колективних систем опалення та кондиціонування.
Робочий діапазон: Продуктивність: від 1,2 до 420 м3/год, напір: до 41 м.
Діапазон температур рідини: від -15°C до +140°C.
Робочий тиск: 16 бар (1600 кПа).
Максимальна температура окружаючей середовища: +40°C.
Клас захисту: IP 55.
Клас ізоляції: F.

РОЗМІР | РОЗМІР УПАКОВКИ | ||||||||||||||||||
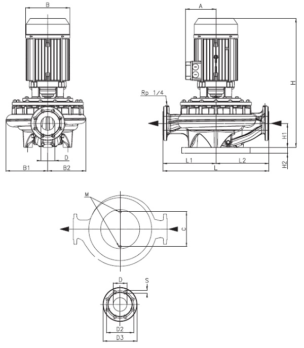
A | B | B1 | B2 | C | D | D2 | D3 | S | n° Holes | H | H1 | H2 | L | L1 | L2 | M | L/A | L/B | H |
144 | 193 | 180 | 164 | 144 | 65 | 145 | 185 | 18 | 4 | 575 | 125 | 35 | 475 | 237,5 | 235,5 | M16 | 670 | 390 | 710 |
| Насоси | |
| Qmax, м3/год | 48 |
| Hmax, м | 23,8 |
| Двигун, кВт | 4,00 |
| Температура рідини | +140°C |
| Робочий тиск | 16 бар |
| Клас ізоляції | F |
| Ступінь захисту | IP 55 |
| Кількість фаз | 3 |