Отримати консультацію
Телефонуйте: +38 067 364 63 17 +38 099 062 70 17 Пишіть: nasos221@gmail.com
Телефонуйте: +38 067 364 63 17 +38 099 062 70 17 Пишіть: nasos221@gmail.com
Даний товар сертифікований.
Призначення: Розроблено спеціально для індііндивідуальні і колективних систем опалення та кондиціонування.
Робочий діапазон: Продуктивність: від 3,6 до 420 м3/год, напір: до 102 м.
Діапазон температур рідини: від -10°C до +140°C.
Перекачувана рідина: чистий, не містить абразивних та твердих частинок, не агриссивная, не кристалізована і хімічно нейтральна.
Робочий тиск: 16 бар (1600 кПа).
Максимальна температура окружаючей середовища: +40°C.
Клас захисту: IP 55.
Клас ізоляції: F.
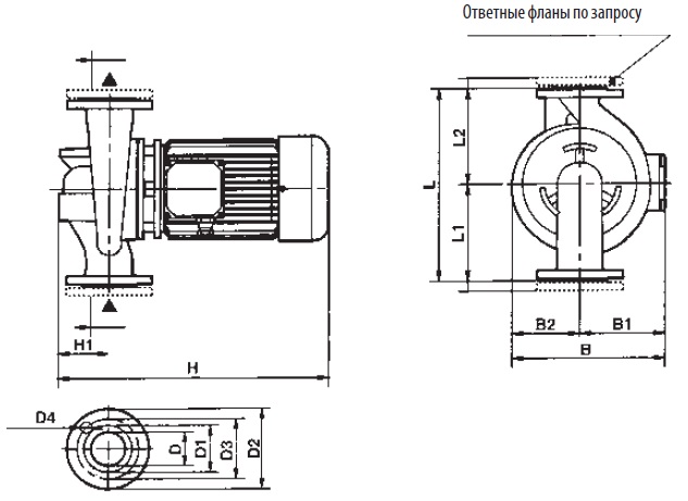
Контрфланцы PN 16 по замовленню.

РОЗМІР | РОЗМІР УПАКОВКИ | ||||||||||||||
L | L1 | L2 | B | B1 | B2 | H | H1 | D | D1 | D2 | D3 | D4 n° Holes | L/A | L/B | H |
400 | 220 | 180 | 290 | 159 | 131 | 545 | 110 | 50 PN 16 | 102 | 165 | 125 | 8 Ø 18 | 520 | 320 | 535 |
| Насоси | |
| Qmax, м3/год | 36 |
| Hmax, м | 56,5 |
| Двигун, кВт | 7,5 |
| Температура рідини | +140°C |
| Робочий тиск | 16 бар |
| Клас ізоляції | F |
| Ступінь захисту | IP 55 |
| Кількість фаз | 3 |