Назначения: Вертикальные, одинарные насосы Grundfos TPE використовуються в різних областях застосування. Дані насоси є одноступеневими, одинарними, відцентровими насосами зі стандартними двигунами і торцевими ущільненнями валу. Дані насоси мають коротку муфту, тобто насос і двигун є окремими блоками. Відповідно дані насоси менш чутливі до забруднень рідини, що перекачується, ніж аналогічні насоси з герметизувати ротором.
Застосування: Дані вертикальні, одинарні насоси використовуються в комерційних будівлях в системах кондиціонування повітря та опалення.
- Насоси з торцевим ущільненням BQBE/BAQE, BQQE призначені для перекачування технічної води в системах опалення, вентиляції, кондиціонування, а також для систем господарсько-питного водопостачання.
- В моделях TPE двигуни обладнані частотними перетворювачами, що дозволяє змінювати частоту обертання вала для роботи насоса в будь-якій точці його робочої характеристики, обмеженою кривими мінімуму і максимуму.
- Для захисту від корозії поверхні корпусу і головної частини покриті гальванічним шаром.
- Насоси TPE мають переваги у вигляді кращого енергозбереження та підвищеного рівня комфорту.
Технічні характеристики:
- Перекачуване середовище: Вибухобезпечний, не містить абразивних і волокнистих включень, хімічно нейтральна до матеріалів насоса. Для перекачування хімічно агресивних рідин необхідно вибрати відповідну комбінацію матеріалів насоса, стійких до перекачуваної рідини.
- Матеріал: Матеріали корпусів насосів, робочих коліс і щілинних ущільнень. Усі чавунні елементи конструкції насоса покриті захисним корозійностійких покриттям, нанесеним методом катафорезу.
- Торцеве ущільнення: торцеве Одинарне ущільнення.
- Температура рідини: -25 +120°С.
- Максимальне робочий тиск: 16 бар.
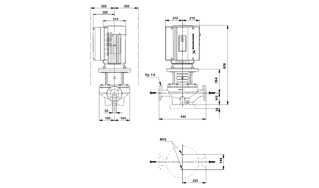
- Тип приєднання: Фланцеве з'єднання у відповідності з EN 1092-2.
- Номінальна напруга: До 11 кВт (включно): 3 x 380-500; від 15 кВт (включно): 3 x 380-480 Ст.
- Номінальна частота: 50/60 Гц.
- Ступінь захисту: IP55;
- Клас енергоефективності: До 11 кВт (включно): ≥ IE5. від 15 кВт (включно): ≥ IE3.

| Насоси |
| Qmax, м3/год |
61,1 |
| Hmax, м |
74,7 |
| Частота обертання, n/об/хв |
2900 |
| Двигун, кВт |
22 |
| Температура рідини |
+120°С |
| Робочий тиск |
16 бар |
| Клас ізоляції |
F |
| Ступінь захисту |
IP 55 |
| Кількість фаз |
3 |