Отримати консультацію
Телефонуйте: +38 067 364 63 17 +38 099 062 70 17 Пишіть: nasos221@gmail.com
Телефонуйте: +38 067 364 63 17 +38 099 062 70 17 Пишіть: nasos221@gmail.com
Даний товар сертифікований.
Wilo-TOP-SD - Здвоєний насос: насос з мокрим ротором - циркуляційний насос з фланцевим з'єднанням (TOP-SD 30/5 з різьбовим з'єднанням). Два електродвигуна на одній насосної частини дозволяють працювати в алгоритмі робочий – резервний, робочий-піковий, коли додаткова щабель підключається при нестачі однієї. При виході з ладу одного електродвигуна з різних причин, робота триває на другому, поки перший знаходиться на ремонті. Передбачений легкий демонтаж двигунів та заміна на нові.
Відмінно працюють з газовими та твердопаливними котлами всіх типів і марок. Особливо часто вони встановлюються в ІТП багатоповерхових житлових будинків.
Матеріали:
Спорядження/функції:
Сигналізація та індикації:
Керування здвоєним насосом (здвоєний насос або два одинарних насоса): Режим роботи «основний/резервний» або паралельний (для реалізації автоматичного перемикання на інший насос при несправності або у визначений час замовник повинен забезпечити наявність відповідного приладу управління).
Обладнання:
Особливості/переваги
Контрольна лампа напрямку обертання для індикації правильного напрямку обертання (лише на 3~)
Ручне регулювання потужності з 3 ступенями частоти обертання
Здвоєний насос може працювати в режимі «основний/резервний» і в режимі паралельної роботи двох насосів
Корпус насоса з катафорезне (KTL) захищає від корозії при утворенні конденсату
|
|
|
| гідравлічні характеристики – одного насоса |
гідравлічні характеристики – двох насосів |

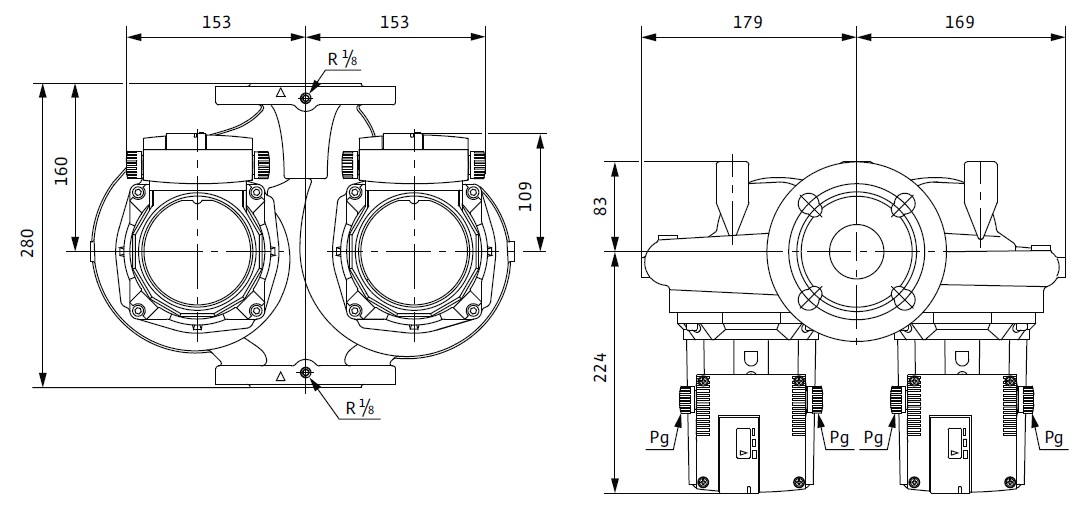
габаритний креслення

габаритний креслення – фланця
|
номінальний внутрішній діаметр фланця |
Вага, кг |
|
DN 50 |
31 |
| Застосування Системи водяного опалення Промислові циркуляційні системи Системи кондиціонування Закриті контури охолодження |
ОФІЦІЙНИЙ ДИСТРИБ'ЮТОР WILO |
| Насоси | |
| Qmax, м3/год | 45 |
| Hmax, м | 7 |
| Частота обертання, n/об/хв | 2800 |
| Двигун, кВт | 0.35 |
| Температура рідини | від –20 до +130 °C |
| Робочий тиск | 10 бар |
| Клас ізоляції | H |
| Ступінь захисту | IP X4D |
| Кількість фаз | 1 |