Отримати консультацію
Телефонуйте: +38 067 364 63 17 +38 099 062 70 17 Пишіть: nasos221@gmail.com
Телефонуйте: +38 067 364 63 17 +38 099 062 70 17 Пишіть: nasos221@gmail.com
Даний товар сертифікований.
Призначення: Одноступінчаті відцентрові насоси Grundfos TP є багатоцільовими насосами, придатними для різних областей застосування. Найбільший попит насоси TP знайшли в опалювальних та холодильних системах, а також в системах водопостачання.
Насоси з торцевим ущільненням BUBE/BAQE призначені для перекачування технічної води в системах опалення, вентиляції, кондиціонування, а також для систем господарсько-питного водопостачання.
Матеріали: Одноступінчатий одинарний відцентровий насос типу "ін-лайн": - кільця щілинного ущільнення з корозійностійкого металу чи бронзи - катафорезная обробка проточної частини - жорстка втулочная муфта - конструкція, полегшує тихобслуговування - гідравлічно оптимальна проточна частина - конструкція типу "ін-лайн" з протилежними усмоктувальним і напірним патрубками, що дозволяє виконати монтаж на трубі або на бетонній основі - необслуживаемое торцеве ущільнення з корозійно-стійкого металу.
3-фазний асинхронний електродвигун.

| Насоси | |
| Qmax, м3/год | 513,3 |
| Hmax, м | 4,5 |
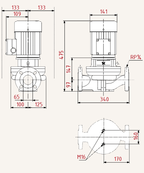
| З'єднання труб | DN 65 |
| Повна вага, кг | 34,7 |
| Ущільнення валу | BUBE |
| Частота обертання, n/об/хв | 1500 |
| Двигун, кВт | 0,55 |
| Робоче колесо | Нержавеющая сталь |
| Температура рідини | +120°С |
| Робочий тиск | 10 бар |
| Клас ізоляції | F |
| Ступінь захисту | IP 55 |
| Кількість фаз | 3 |
| Температура навколишнього середовища | +40°С |
| Фланці | JIS |