Електронний моноблочний насос NKM-GE 80-160 / 163 T

Виробник: DAB
Модель: NKM-GE 80-160/163 T
Електронний моноблочний насос NKM-GE 80-160 / 163 T
0 грн.

  • Наявність: На складі


Отримати консультацію

Отримати консультацію

Телефонуйте: +38 067 364 63 17 +38 099 062 70 17 Пишіть: nasos221@gmail.com

Сертифікований товар

Сертифікований товар

Даний товар сертифікований.

Призначення: Розроблено спеціально для індивідуальних і колективних систем водопостачання, опалення та кондиціонування, а також систем пере - качивания рідини в промисловості і сільському господарстві.

Конструкція за стандартом: СЕІ2-3
Ступінь захисту: ІР 55
Клас ізоляції: F
Серійне напруга: однофазний 208/240 В / 50-60 Гц, трифазний 380/240 В — 50-60 Гц
Швидкість обертання: 1450 — 29001/хв.

Робочий діапазон: Продуктивність - від 1 до 210 м3/год. Напір - до 60 м водяного стовпа
Перекачувана жидкость: чистий, не містить твердих або абразивних частинок, не в'язка, не агресивна, не кристалізована, хімічно нейтральна, близька за характеристиками до води, Температура - від -10°C до +140°C.
Максимальна температура навколишнього середовища: +40°С.

Максимальний робочий тиск: 16 бар.

Фланці: PN 16 DIN 2533
Монтаж: в горизонтальному положенні.
Спеціальне виконання за замовленням: насоси для рідин, відмінних від води.
Інша частота та/або напруга.

Частотний перетворювач МСЕ/С
Розроблений спеціально для управління насосами в індивідуальних і колективних системах опалення, кондиціонування та охолодження. Підтримує постійний перепад тисків в системі за рахунок регулювання швидкості обертання двигуна. Це пристрої, які монтуються на насос, які комплектуються датчиками тиску, як опція, можуть обладнуватися також датчиками витрати. Датчики витрати гарантують найкраще регулювання тиску.



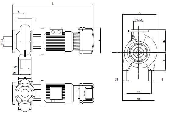
A

B

E

G

H1

H2

H4

L

M1

M2

N1

N2

N2

S1

S2

W

X

Y

РОЗМІР УПАКОВКИ

ВАГА

КГ

L/A

L/B

H

125

65


342

180

225


804

125

95

320

250


M10



140

262

850

500

660

87

Насоси
Qmax, м3/год 120
Hmax, м 8,65
Двигун, кВт 2,20
Температура рідини +140°C
Робочий тиск 16 бар
Клас ізоляції F
Ступінь захисту IP 55
Кількість фаз 3
Швидкість обертання, 1/хв 1450 — 2900
Температура навколишнього середовища +40°C
Конструкція за стандартом CEI 2-3

Написати відгук

Увага: HTML не підтримується!
    Погано           Добре