Ін-лайн насос постійного тиску CME 50-1000 M MCE11 / C IE2

Виробник: DAB
Модель: CME 50-1000 M MCE11/C IE2
Ін-лайн насос постійного тиску CME 50-1000 M MCE11 / C IE2
0 грн.

  • Наявність: На складі


Отримати консультацію

Отримати консультацію

Телефонуйте: +38 067 364 63 17 +38 099 062 70 17 Пишіть: nasos221@gmail.com

Сертифікований товар

Сертифікований товар

Даний товар сертифікований.

    Призначення: Розроблено спеціально для індііндивідуальні і колективних систем опалення та кондиціонування.

    Робочий діапазон:  Продуктивність: від 1,2 до 360 м3/год, напір: до 34 м.

    Діапазон температур рідини:  від -10°C до +130°C DN 40-50 і все DCME  -10°C до +140°C DN 65-150.

    Робочий тиск: 16 бар (1600 кПа).

    Максимальна температура окружаючей середовища: +40°C.

    Серійне напруга: однофазний 208/-240 В / 5060 Гц, трифазний 380-240 В / 50-60 Гц.

    Клас захисту: IP 55.

    Клас ізоляції: F.

    Фланці: PN16.

    Контрфланцы по запиту: DN 40 - DN50 - DN 65 - DN SO-DN100DN125-DN-150, PN16.

    Установка: фіксована, горизонтальна або вертикальна при умови що двигун завжди вище насоса.

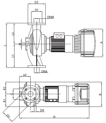
    A

    B

    B1

    B2

    C

    D1

    D2

    D3

    D4

    H

    H1

    L

    L1

    L2

    M

    РОЗМІР УПАКОВКИ

    ВАГА

    КГ

    L/A

    L/B

    H

    262

    233

    120

    113

    100

    102

    125

    165

    4X18

    663

    105

    425

    225

    200

    12

    500

    270

    810

    51 

Насоси
Qmax, м3/год 12
Hmax, м 6,8
Двигун, кВт 0,75
Температура рідини +130°C
Робочий тиск 16 бар
Клас ізоляції F
Ступінь захисту IP 55
Кількість фаз 1

Написати відгук

Увага: HTML не підтримується!
    Погано           Добре