Отримати консультацію
Телефонуйте: +38 067 364 63 17 +38 099 062 70 17 Пишіть: nasos221@gmail.com
Телефонуйте: +38 067 364 63 17 +38 099 062 70 17 Пишіть: nasos221@gmail.com
Даний товар сертифікований.
Назначение: Центробежные
насоси з одним робочим колесом DAB K розроблені спеціально для побутових,
громадських, промислових і сільськогосподарських установок та іригаційних
систем.
Робочий діапазон: производительность
- від 1,8 до 96 м3/год, напір - до 62 м. .
Максимальний робочий
тиск: для K 20/41, K 30/70, K 30/100, K 36/100, K 12/200,
K 14/400 - 6 бар,
для K 36/200, K 40/200, K55/200, K11/500, K 18/500, K
28/500 - 8 бар,
для K 40/400, K 50/400, K 30/800, K 40/800, K 50/800, K
20/1200, K 25/1200, K 35/1200 - 10 бар.
Перекачувана
рідина. Склад: чиста, без твердих включень і мінеральних
масел, не в'язка, хімічно нейтральна, за характеристиками аналогічна воді.
Діапазон температур рідини: для K 20/41, K 30/70, K
30/100, K36/100, K12/200, K 36/200, K 40/200 - від -10°C до +50°C, для інших
- від -15°C до +110°C.
Максимальна температура навколишнього середовища: +40°C.
Основные
матеріали. Гідравлічний корпус і опора двигуна - чавун;
робоче колесо - технополімер; механічне ущільнення - карбіду/кераміка.
Особенности. Двигатели
однофазних моделей обладнані вбудованим тепловим вимикачем. Для трифазних
двигунів необхідно передбачити зовнішній захист від перевантаження.
Ступінь захисту: Двигун - IP 44, клемна коробка - IP 55.
Клас ізоляції: F.

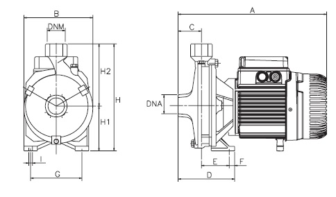
|
A |
B |
C |
D |
E |
G |
Ø I |
H |
H1 |
DNA |
DNM |
ВАГА КГ |
К-ВО НА ПАПЛЕТЕ |
|
275 |
160 |
50 |
100 |
50 |
110 |
9 |
205 |
85 |
1" G |
1" G |
10 |
39 |
| Насоси | |
| Qmax, м3/год | 6 |
| Hmax, м | 20,3 |
| Двигун, кВт | 0,37 |
| Температура рідини | +50°C |
| Робочий тиск | 6 бар |
| Клас ізоляції | F |
| Ступінь захисту | IP 44 |
| Кількість фаз | 1 |
| Ступінь захисту клемника | IP 55 |
| Температура навколишнього середовища | +40°C |