Отримати консультацію
Телефонуйте: +38 067 364 63 17 +38 099 062 70 17 Пишіть: nasos221@gmail.com
Телефонуйте: +38 067 364 63 17 +38 099 062 70 17 Пишіть: nasos221@gmail.com
Даний товар сертифікований.
Призначення: Відцентрові насоси з одним робочим колесом DAB K розроблені спеціально для побутових, громадських, промислових і сільськогосподарських установок та іригаційних систем.
Робочий діапазон: продуктивність - від 1,8 до 96 м3/год, напір - до 62 м. .
Максимальний робочий тиск: для K 20/41, K 30/70, K 30/100, K 36/100, K 12/200, K 14/400 - 6 бар,
для K 36/200, K 40/200, K55/200, K11/500, K 18/500, K 28/500 - 8 бар,
для K 40/400, K 50/400, K 30/800, K 40/800, K 50/800, K 20/1200, K 25/1200, K 35/1200 - 10 бар.
Перекачувана рідина. Склад: чиста, без твердих включень і мінеральних масел, не в'язка, хімічно нейтральна, за характеристиками аналогічна воді.
Діапазон температур рідини: для K 20/41, K 30/70, K 30/100, K36/100, K12/200, K 36/200, K 40/200 - від -10°C до +50°C, для інших - від -15°C до +110°C.
Максимальна температура навколишнього середовища: +40°C.
Основні матеріали. Гідравлічний корпус і опора двигуна - чавун; робоче колесо - технополімер; механічне ущільнення - карбіду/кераміка.
Особливості. Двигуни однофазних моделей обладнані вбудованим тепловим вимикачем. Для трифазних двигунів необхідно передбачити зовнішній захист від перевантаження.
Ступінь захисту: Двигун - IP 44, клемна коробка - IP 55.
Клас ізоляції: F.

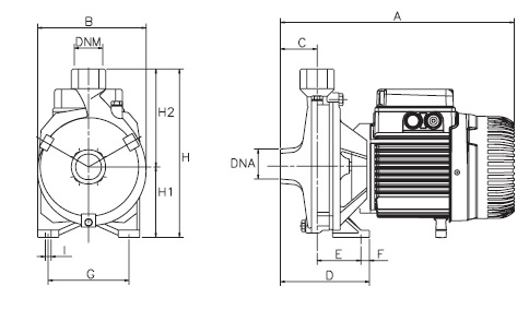
A | B | C | D | E | G | Ø I | H | H1 | DNA | DNM | ВАГА КГ | К-ВО НА ПАПЛЕТЕ |
275 | 160 | 50 | 100 | 50 | 110 | 9 | 205 | 85 | 1" G | 1" G | 10 | 39 |
| Насоси | |
| Qmax, м3/год | 6 |
| Hmax, м | 20,3 |
| Двигун, кВт | 0,37 |
| Температура рідини | +50°C |
| Робочий тиск | 6 бар |
| Клас ізоляції | F |
| Ступінь захисту | IP 44 |
| Кількість фаз | 3 |
| Ступінь захисту клемника | IP 55 |
| Температура навколишнього середовища | +40°C |