Відцентровий насос K 35/100 M

Виробник: DAB
Модель: K 35/100 M
Відцентровий насос K 35/100 M
0 грн.

  • Наявність: На складі


Отримати консультацію

Отримати консультацію

Телефонуйте: +38 067 364 63 17 +38 099 062 70 17 Пишіть: nasos221@gmail.com

Сертифікований товар

Сертифікований товар

Даний товар сертифікований.

Призначення: Центробіжні насоси з двома робочими колесами DAB K розроблені спеціально для побутових, громадських, промислових і сільськогосподарських установок та іригаційних систем.

Робочий діапазон: продуктивність - від 1,2 до 30 м3/год, напір - до 97 м.

Максимальний робочий тиск: для K 35/40, K 35/100, K 40/100 - 6 бар,

 для K 45/50, K 55/50 - 8 бар,

 для K 55/100, K 66/100 - 10 бар,

для K 90/100, K 70/100, K 80/300, K 70/400, K 80/400 - 12 бар.

Перекачувана рідина. Склад: чиста, без твердих включень і мінеральних масел, не в'язка, хімічно нейтральна, за характеристиками аналогічна воді.

Діапазон температури жрідині:  для K 35/40, K45/50, K35/100, K 40/100, K55/100 - від -10°C до +50°C, для K 55/50, K 66/100, K 90/100, K 70/300, K 80/300, K 70/400, K 80/300 - від -15°C до +110°C.

Максимальна температура навколишнього середовища: +40°C.

Основні матеріали. Гідравлічний корпус і опора двигуна - чавун; робоче колесо - технополімер; механічне ущільнення - карбіду/кераміка.

Особливості. Двигуни однофазних моделей обладнані вбудованим тепловим вимикачем. Для трифазних двигунів необхідно передбачити зовнішній захист від перевантаження.

Ступінь захисту: Двигун - IP 44, клемна коробка - IP 55.

Клас ізоляції: F.




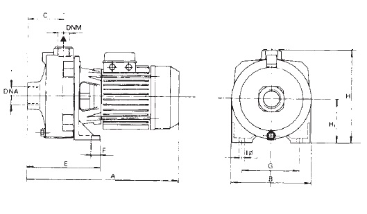
A

B

C

D

E

F

G

ØI

H

H1

H2

DNA

DNM

ВАГА

КГ

К-ВО

НА

ПАПЛЕТЕ

387

205

88

-

179

20

145

11

233

108

-

1 1/2“ G

1" G

22

21

Насоси
Qmax, м3/год 9,6
Hmax, м 38,5
Двигун, кВт 1,1
Температура рідини +50°C
Робочий тиск 6 бар
Клас ізоляції F
Ступінь захисту IP 44
Кількість фаз 1
Ступінь захисту клемника IP 55
Температура навколишнього середовища +40°C

Написати відгук

Увага: HTML не підтримується!
    Погано           Добре