Отримати консультацію
Телефонуйте: +38 067 364 63 17 +38 099 062 70 17 Пишіть: nasos221@gmail.com
Телефонуйте: +38 067 364 63 17 +38 099 062 70 17 Пишіть: nasos221@gmail.com
Даний товар сертифікований.
Призначення: Розроблено спеціально для індііндивідуальні систем опалення в тому числі і хладоснабжения і гарячого водоснабжения.
Робочий діапазон: Продуктивність: від 2 до 12 м3/год, напір: до 11 м
Діапазон температур рідини: від -10°C до +110°C.
Робочий тиск: 16 бар (1600 кПа).
Клас захисту: IP 44.
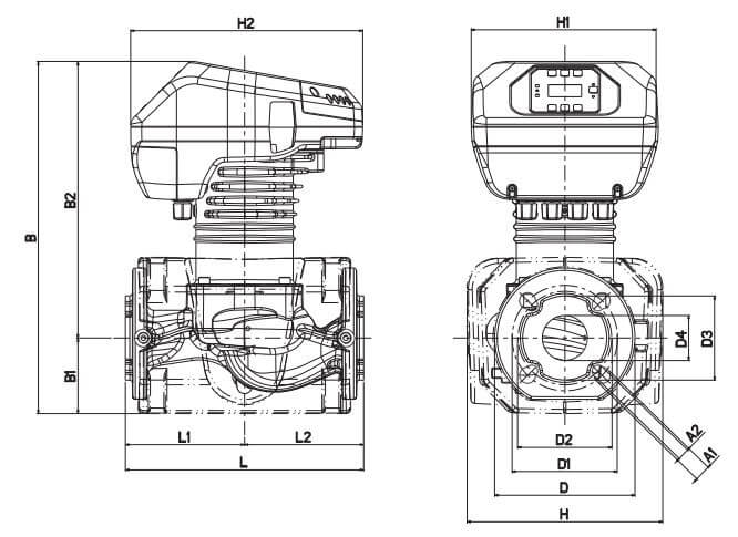
L | L1 | L2 | A1 | A2 | B | B1 | B2 | D | D1 | D2 | D3 | D4 | H | H1 | H2 | ВАГА КГ | К-ВО НА ПАЛЕТІ |
280 | 140 | 140 | 19 | 14 | 413 | 87 | 325 | 165 | 125 | 110 | 99 | 53 | 230 | 220 | 273 | 18 | 8 |
Насоси | |
Qmax, м3/год | 30 |
Hmax, м | 12 |
Двигун, кВт | 0.53 |
Температура рідини | +110 |
Робочий тиск | 16 бар |
Ступінь захисту | IP 44 |
Кількість фаз | 1 |