Консольний насос GS 32-200 5,5 кВт

Виробник: Ebara
Модель: GS 32-200 5,5 кВт
Консольний насос GS 32-200 5,5 кВт
2 грн.

  • Наявність: На складі


Отримати консультацію

Отримати консультацію

Телефонуйте: +38 067 364 63 17 +38 099 062 70 17 Пишіть: nasos221@gmail.com

Сертифікований товар

Сертифікований товар

Даний товар сертифікований.

EBARA GS - являє собою горизонтальний одноступінчатий відцентровий насос з стандартизированым з'єднанням, исполненым за нормами EN733. Доступні моделі насосів GS від DN 32 до DN 200.

 
 

 

Технічні особливості:

  • Високоміцна конструкція;
  • Можливість використання в системах пожежогасіння;
  • Може бути вбудований в складну техніку для промислового використання;
  • Висока ефективність.

Технічні дані насоса:

  • Максимальний робочий тиск: 16 бар;
  • Температура рідини: -10°C ÷ +120°C;
  • MEI > 0,4 / MEI > 0,6 (в залежності від моделі);

Технічні дані двигуна:

  • Високоефективні двигуни IE3 потужністю від 0,75 кВт до 355 кВт;
  • Самовентилируемый асинхронний двигун з 2 і 4 полюсами;
  • Клас ізоляції F;
  • Ступінь захисту IP 55;
  • 230/400 ± 10% (до 4 кВт включно) три фази 50 Гц;
  • 400/690 В ± 10% (від 5,5 кВт і вище) три фази 50 Гц;

Матеріали:

  • Робоче колесо: чавун, високоміцний чавун або бронза;
  • Корпус насоса з чавуну;
  • Вал в AISI 431;
  • Механічне ущільнення: SiC/Carbon/EPDM або сальникове ущільнення: карбидкремниевое волокно.

 

Особливості/переваги
Високоміцна конструкція
Може бути вбудований в складну техніку для промислового використання
Висока ефективність

 

гідравлічні характеристики

 

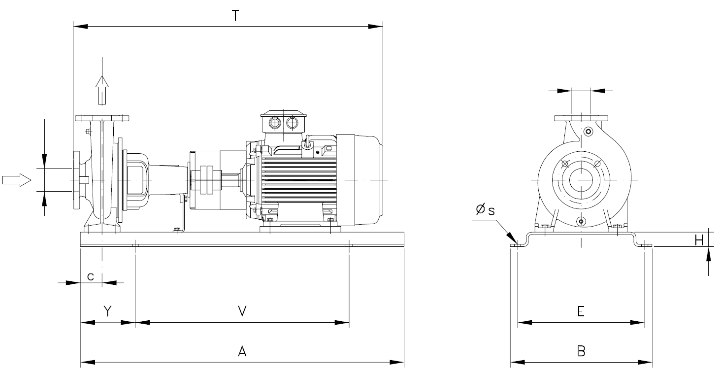
габаритний креслення

 

Стандартна муфта

Маса (кг)

Розміри (мм)

A

B

Y

V

E

H

s

T

900

490

150

600

440

50

18

895

135

 

Розпірна муфта

Маса (кг)

Розміри (мм)

A

B

Y

V

E

H

s

T

1120

490

190

740

440

50

22

992

145

 

 
Застосування
Подача під тиском для промислового застосування
Системи пожежогасіння
Системи опалення
Системи кондиціонування та охолодження
Зрошення
Сільське господарство
Водопостачання міст і населених пунктів
Басейни

ОФІЦІЙНИЙ ДИСТРИБ'ЮТОР EBARA
НАЯВНІСТЬ НА СКЛАДІ
ШВИДКА ДОСТАВКА

                                                         

 

 

 

 

 

 

 

Насоси
Qmax, м3/год 48
Hmax, м 57,7
Частота обертання, n/об/хв 2900
Двигун, кВт 5.5
Температура рідини від -10°C до +120°C
Робочий тиск 16 бар
Клас ізоляції F
Ступінь захисту IP 55
Кількість фаз 3

Написати відгук

Увага: HTML не підтримується!
    Погано           Добре