Отримати консультацію
Телефонуйте: +38 067 364 63 17 +38 099 062 70 17 Пишіть: nasos221@gmail.com
Телефонуйте: +38 067 364 63 17 +38 099 062 70 17 Пишіть: nasos221@gmail.com
Даний товар сертифікований.
NB - Насос з одностороннім всмоктуванням, що підходять для різних призначень, вимагають надійної та економної подачі. Їх зносостійкість і надійність роблять їх ідеальними для застосування в складних умовах. Використовуються у водопостачанні, промисловому підвищення тиску, промислової транспортування рідин, системи HVAC (опалення, вентиляції та кондиціонування повітря) і зрошення.
Консольно-моноблочний насос NB є нормальновсмоктуючий, одноступінчатий, відцентровий спіральний насос з осьовим всмоктувальним патрубком, радіальним напірним патрубком і горизонтальним валом. NB включає в себе насоси з короткою муфтою з розмірами, відповідними стандарту або EN733, або ISO2858.
Розшифровка позначення типового:
Приклад: NB 32-125.1/100 AF2ABAQE
Технічні характеристики:
Матеріали:
Торцеве ущільнення валу: BAQE/BQQE (гума EPDM) підходять для перекачування води або охолоджуюча рідина. Ущільнення для роботи при температурі від 0 °C і вище підходять для перекачування води. А при температурі нижче 0 °C призначені для охолоджувальних рідин.
Герметизація торцевим ущільненням досягається з допомогою вторинних ущільнень (сільфон, гумові кільця) і пари тертя.
Особливості/переваги
Оптимізована гідросистема в корпусі і на робочому колесі
Ущільнювальне кільце між корпусом і кришкою насоса - відсутність ризику протікання
Корпус, робоче колесо і компенсаційне кільце - покращена корозійна стійкість, відсутність заедающих частин
Гальванічне покриття, що збільшує корозійну стійкість
Доступні варіанти з двигунами IE2 і IE3
Доступні різні варіанти торцевого ущільнення і матеріалів
Температура перекачується рідини до +140 °C.
|
|
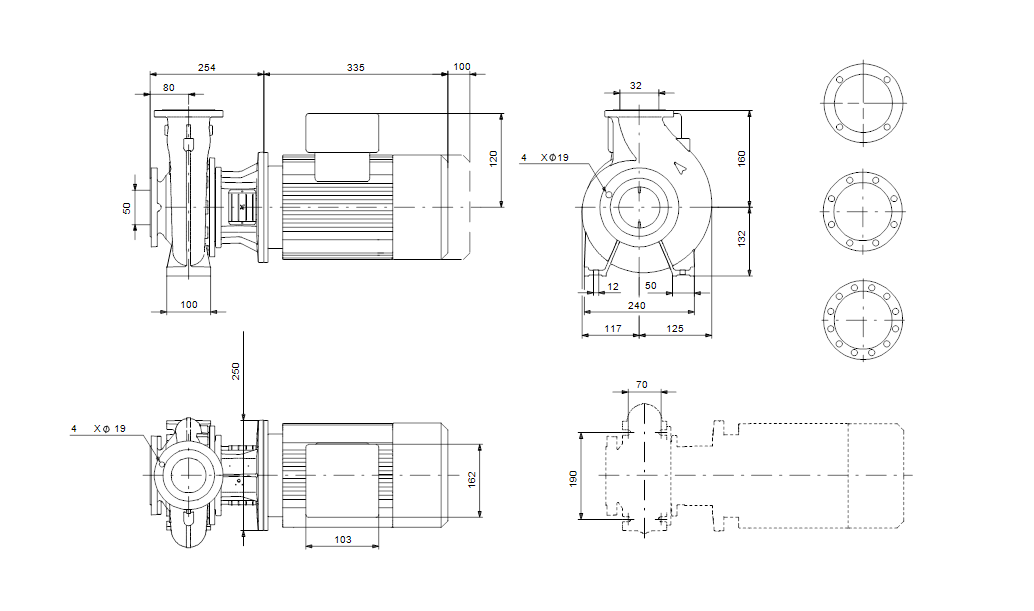
гідравлічні характеристики габаритний креслення |
Застосування ТЕЦ Системи опалення багатоквартирних будинків Системи кондиціонування повітря Холодильні установки Інші промислові системи |
ОФІЦІЙНИЙ ДИСТРИБ'ЮТОР GRUNDFOS |
Насоси | |
Qmax, м3/год | 30,8 |
Hmax, м | 31,2 |
Кількість полюсів двигуна | 2 |
Напірний патрубок | DN 32 |
Ущільнення валу | BQQE |
Частота обертання, n/об/хв | 2900 |
Двигун, кВт | 3 |
Температура рідини | від -25 °C до +120 °C |
Робочий тиск | 16 бар |
Клас ізоляції | F |
Ступінь захисту | IP 55 |
Кількість фаз | 3 |
Температура навколишнього середовища | +60 °C |