Консольно-моноблочний насос NB 40-200 / 219 ASF2ABQQE

Виробник: Grundfos
Модель: NB 40-200/219 ASF2ABQQE
Консольно-моноблочний насос NB 40-200 / 219 ASF2ABQQE
124 020 грн.

  • Наявність: На складі


Отримати консультацію

Отримати консультацію

Телефонуйте: +38 067 364 63 17 +38 099 062 70 17 Пишіть: nasos221@gmail.com

Сертифікований товар

Сертифікований товар

Даний товар сертифікований.

NB - Насос з одностороннім всмоктуванням, що підходять для різних призначень, вимагають надійної та економної подачі. Їх зносостійкість і надійність роблять їх ідеальними для застосування в складних умовах. Використовуються у водопостачанні, промисловому підвищення тиску, промислової транспортування рідин, системи HVAC (опалення, вентиляції та кондиціонування повітря) і зрошення.

 
 

 

Консольно-моноблочний насос NB є нормальновсмоктуючий, одноступінчатий, відцентровий спіральний насос з осьовим всмоктувальним патрубком, радіальним напірним патрубком і горизонтальним валом. NB включає в себе насоси з короткою муфтою з розмірами, відповідними стандарту або EN733, або ISO2858.

Розшифровка позначення типового:

Приклад:  NB 32-125.1/100 AF2ABAQE

  • NB: Типовий ряд;
  • 32: Номінальний внутрішній діаметр напірного патрубка (DN);
  • 125: Номінальний діаметр робочого колеса [мм];
  • /100: Фактичний діаметр робочого колеса [мм];
  • A: Базове виконання;
  • F: Трубне з'єднання (Фланець DIN);
  • 2: Допустимий тиск на фланцях (PN – номінальний тиск), 16 бар;
  • A: Матеріали;
  • BAQE: Код типу торцевого ущільнення і гумових деталей.

Технічні характеристики:

  • Подача: до 1398 м3/год;
  • Напір: до 176,6 м;
  • Температура перекачуваного середовища: від - 25 °C до +140 °C;
  • Максимальна температура навколишнього середовища: +60 °C;
  • Макс. робочий тиск: 16 бар;
  • Клас енергоефективності-ти: IE3;
  • Клас ізоляції: F;
  • Ступінь захисту: IP 55;
  • Кількість фаз:3.

Матеріали:

  • Корпус насоса: Чавун;
  • Матеріал корпусу насоса: EN-GJL-250;
  • Корпус насоса: ASTM class 35;
  • Зношувальне кільце: Латунь;
  • Робоче колесо: Чавун;
  • Робоче колесо, EN/DIN: EN-GJL-200;
  • Робоче колесо, AISI/ASTM: ASTM class 30;
  • Вал: Нержавіюча сталь;
  • Вал: EN 1.4301;
  • Вал: AISI 304;
  • Код матеріалу: A;
  • Код гуми: E.

Торцеве ущільнення валу: BAQE/BQQE (гума EPDM) підходять для перекачування води або охолоджуюча рідина. Ущільнення для роботи при температурі  від 0 °C і вище підходять для перекачування води. А при температурі нижче 0 °C призначені для охолоджувальних рідин.

  • BAQE(від 0 °C до +120 °C);
  • BQQE(від -25 °C до +120 °C).

 Герметизація торцевим ущільненням досягається з допомогою вторинних ущільнень (сільфон, гумові кільця) і пари тертя.

 

Особливості/переваги
Оптимізована гідросистема в корпусі і на робочому колесі
Ущільнювальне кільце між корпусом і кришкою насоса - відсутність ризику протікання
Корпус, робоче колесо і компенсаційне кільце - покращена корозійна стійкість, відсутність заедающих частин
Гальванічне покриття, що збільшує корозійну стійкість
Доступні варіанти з двигунами IE2 і IE3
Доступні різні варіанти торцевого ущільнення і матеріалів
Температура перекачується рідини до +140 °C.

 

 

гідравлічні характеристики

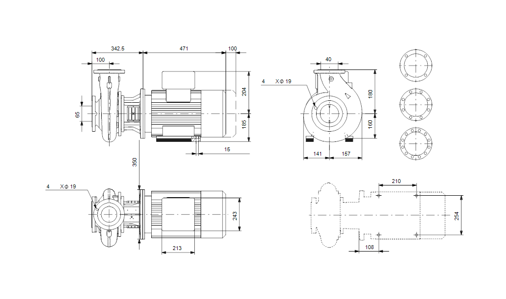
габаритний креслення


 
                                                                                                  
 
Застосування
ТЕЦ
Системи опалення багатоквартирних будинків
Системи кондиціонування повітря
Холодильні установки
Інші промислові системи

ОФІЦІЙНИЙ ДИСТРИБ'ЮТОР GRUNDFOS
НАЯВНІСТЬ НА СКЛАДІ
ШВИДКА ДОСТАВКА

 

 

 

 

Насоси
Qmax, м3/год 67,4
Hmax, м 65,4
Кількість полюсів двигуна 2
Напірний патрубок DN 40
Ущільнення валу BAQE
Частота обертання, n/об/хв 2930
Двигун, кВт 15
Температура рідини від -25 °C до +120 °C
Робочий тиск 16 бар
Клас ізоляції F
Ступінь захисту IP 55
Кількість фаз 3
Температура навколишнього середовища +60 °C

Написати відгук

Увага: HTML не підтримується!
    Погано           Добре