Отримати консультацію
Телефонуйте: +38 067 364 63 17 +38 099 062 70 17 Пишіть: nasos221@gmail.com
Телефонуйте: +38 067 364 63 17 +38 099 062 70 17 Пишіть: nasos221@gmail.com
Даний товар сертифікований.
Призначення: Одноступінчаті, одинарні вертикальні відцентрові насоси Grundfos TP типу «ін-лайн» з усмоктувальним і випускними патрубками на одній лінії. Насос має конструкцію вилучення зверху, тобто головну частину (електродвигун, голову насоса і робоче колесо) можна демонтувати для обслуговування чи ремонту в той час, як корпус насоса залишається на трубопроводі. Насос оснащений незбалансованим сильфонным ущільненням. Приєднання до трубопроводу за допомогою фланців. Насос оснащений вентилятором охолодження асинхронного двигуна.
Застосування: Дані насоси використовуються в комерційних будівлях в системах кондиціонування повітря та опалення, де необхідний контроль тиску. В залежності від застосування насоси є економічними, зручними в експлуатації і забезпечують оптимізацію технологічних процесів.
Технічні характеристики:
Перекачувана рідина: Вибухобезпечна, що не містить абразивних і волокнистих включень, хімічно нейтральна до матеріалів насоса. Для перекачування хімічно агресивних рідин необхідно вибрати відповідну комбінацію матеріалів насоса, стійких до перекачуваної рідини.
Температура рідини:
Матеріал:
Торцеве ущільнення: торцеве Одинарне ущільнення.
Тип приєднання: Фланцеве з'єднання у відповідності з EN 1092-2.
Номінальна напруга:
Номінальна частота: 50 Гц.
Ступінь захисту: IP55.
Клас енергоефективності: ≥ IE3.
Клас ізоляції: F.
Макс. робочий тиск: 16 бар.
Механічне ущільнення валу:
У стандартному виконанні доступні три типи незбалансованих механічних ущільнень вала:
Насоси | |
Qmax, м3/год | 278 |
Hmax, м | 18,2 |
Діаметр робочого колеса, мм | 256 |
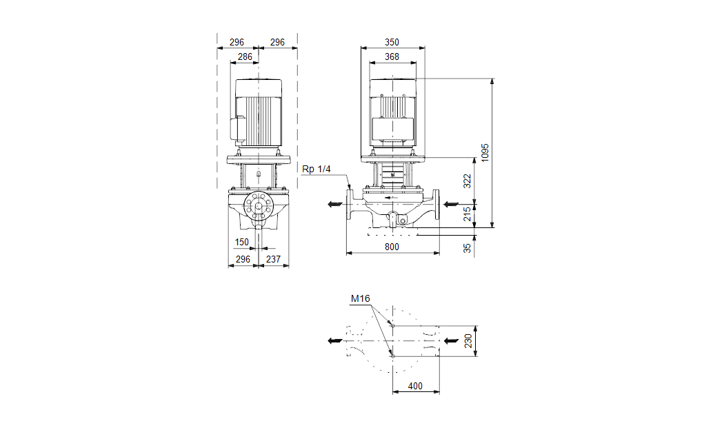
З'єднання труб | DN 150 |
Макс. гідростатичний напір, дм | 220 |
Частота обертання, n/об/хв | 1450 |
Корпус насоса | Чугун |
Двигун, кВт | 18,5 |
Робоче колесо | Чугун |
Температура рідини | +120°С |
Робочий тиск | 16 бар |
Клас ізоляції | F |
Ступінь захисту | IP 55 |