Отримати консультацію
Телефонуйте: +38 067 364 63 17 +38 099 062 70 17 Пишіть: nasos221@gmail.com
Телефонуйте: +38 067 364 63 17 +38 099 062 70 17 Пишіть: nasos221@gmail.com
Даний товар сертифікований.
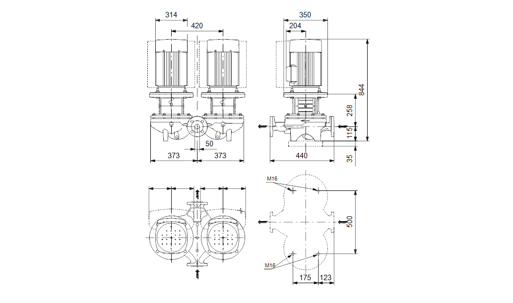
Призначення: Вертикальні Одноступінчаті, здвоєні насоси Grundfos TPD використовуються в різних областях застосування. Дані насоси є одноступеневими, здвоєними, відцентровими насосами зі стандартними двигунами і торцевими ущільненнями валу. Здвоєний насос спроектований з двома паралельними головними частинами. Дані насоси мають коротку муфту, тобто насос і двигун є окремими блоками. Насос має конструкцію вилучення зверху, тобто головну частину (електродвигун, голову насоса і робоче колесо) можна демонтувати для обслуговування чи ремонту в той час, як корпус насоса залишається на трубопроводі.
Застосування: Дані вертикальні, здвоенные насоси використовуються в комерційних будівлях в системах кондиціонування повітря та опалення.
Технічні характеристики:
Перекачувана рідина: Вибухобезпечна, що не містить абразивних і волокнистих включень, хімічно нейтральна до матеріалів насоса. Для перекачування хімічно агресивних рідин необхідно вибрати відповідну комбінацію матеріалів насоса, стійких до перекачуваної рідини.
Матеріал:
Торцеве ущільнення: торцеве Одинарне ущільнення.
Тип приєднання: Фланцеве з'єднання у відповідності з EN 1092-2.
Номінальна напруга: До 1,5 кВт (включно): 3 x 220-240D/380-415Y В; до 5,5 кВт (включно): 3 x 380-415D В; до 22 кВт (включно): 3 x 380-415D/660-690Y; від 30 кВт (включно): 3 x 380-420D/660-725Y Ст.
Температура рідини:
Номінальна частота: 50 Гц.
Макс. робочий тиск: До 16 бар, TPD серії 300 до 25 бар.
Клас ізоляції: F.
Ступінь захисту: IP55.
Клас енергоефективності: ≥ IE3.
Механічне ущільнення валу: У стандартному виконанні доступні три типу незбалансованих механічних ущільнень вала:
Насоси | |
Qmax, м3/год | 43,4 |
Hmax, м | 53,9 |
Діаметр робочого колеса, мм | 219 |
З'єднання труб | DN 50 |
Макс. гідростатичний напір, дм | 630 |
Частота обертання, n/об/хв | 2900 |
Корпус насоса | Чугун |
Двигун, кВт | 2 x 15 |
Робоче колесо | Бронза |
Температура рідини | +120°С |
Клас ізоляції | F |
Ступінь захисту | IP 55 |
Кількість фаз | 3 |