Отримати консультацію
Телефонуйте: +38 067 364 63 17 +38 099 062 70 17 Пишіть: nasos221@gmail.com
Телефонуйте: +38 067 364 63 17 +38 099 062 70 17 Пишіть: nasos221@gmail.com
Даний товар сертифікований.
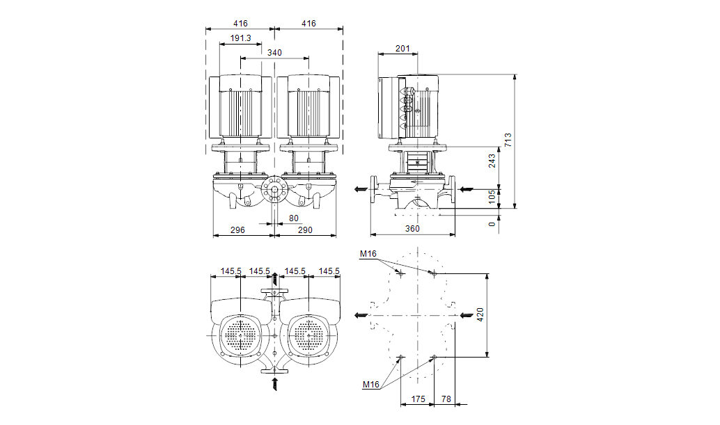
Призначення: Одноступінчаті, здвоєні насоси Grundfos TPED з усмоктувальним і випускними патрубками на одній лінії, що використовуються в різних областях застосування. Здвоєний вертикальний відцентровий насос типу «ін-лайн» з вбудованим частотним перетворювачем і датчиком перепаду тиску, спроектований з двома паралельними головними частинами. Насос має конструкцію вилучення зверху, тобто головну частину (електродвигун, голову насоса і робоче колесо) можна демонтувати для обслуговування чи ремонту в той час, як корпус насоса залишається на трубопроводі. Кожна насосна частина оснащена синхронним двигуном на постійних магнітах з повітряним охолодженням однакового розміру. Електродвигун включає частотний перетворювач і ПІ-регулятор в клемній коробці. Це забезпечує постійне плавне регулювання частоти обертання електродвигуна, а також можливість коригування робочих характеристик у відповідності з заданими вимогами.
Застосування: Дані вертикальні, здвоенные насоси використовуються в комерційних будівлях в системах кондиціонування повітря та опалення, де необхідний контроль тиску. В залежності від застосування насоси є економічними, зручними в експлуатації і забезпечують оптимізацію технологічних процесів.
Технічні характеристики:
Перекачувана рідина: Вибухобезпечна, що не містить абразивних і волокнистих включень, хімічно нейтральна до матеріалів насоса. Для перекачування хімічно агресивних рідин необхідно вибрати відповідну комбінацію матеріалів насоса, стійких до перекачуваної рідини.
Матеріал:
Торцеве ущільнення: торцеве Одинарне ущільнення.
Тип приєднання: Фланцеве з'єднання у відповідності з EN 1092-2.
Номінальна напруга:
Температура рідини:
Номінальна частота: 50/60 Гц.
Макс. робочий тиск: До 16 бар.
Клас ізоляції: F.
Ступінь захисту: IP55.
Клас енергоефективності:
Механічне ущільнення валу:
У стандартному виконанні доступні два типи незбалансованих механічних ущільнень вала:

| Насоси | |
| Qmax, м3/год | 64,8 |
| Hmax, м | 19,9 |
| Діаметр робочого колеса, мм | 135 |
| З'єднання труб | DN 80 |
| Макс. гідростатичний напір, дм | 240 |
| Частота обертання, n/об/хв | 2900 |
| Корпус насоса | Чугун |
| Двигун, кВт | 2 x 5.5 |
| Робоче колесо | Чугун |
| Температура рідини | +120°С |
| Робочий тиск | 16 бар |
| Клас ізоляції | F |
| Ступінь захисту | IP 55 |
| Кількість фаз | 3 |