Отримати консультацію
Телефонуйте: +38 067 364 63 17 +38 099 062 70 17 Пишіть: nasos221@gmail.com
Телефонуйте: +38 067 364 63 17 +38 099 062 70 17 Пишіть: nasos221@gmail.com
Даний товар сертифікований.
CR - Являє собою вертикальний багатоступінчастий відцентровий насос з нормальним всмоктуванням зі стандартним електродвигуном. Стандартна серія насосів CR може бути виконана з чотирьох матеріалів: чавун, дві марки нержавіючої сталі і титан. Існує одинадцять типорозмірів, що дозволяють забезпечити тиск аж до 50 бар, і кілька типів торцевих ущільнень, типів еластомерів і напруги живлення.
Насос складається з основи і головної частини. Проміжні камери і циліндричний кожух з'єднані між собою, а також з основою і головною частиною насоса за допомогою стяжних болтів. Конструкція «ін-лайн» дозволяє встановлювати насос на горизонтальному трубопроводі. Номенклатура насосів включає 13 типорозмірів з різним значенням витрати, кілька сотень типорозмірів з різними значеннями тиску. Всі насоси оснащені торцевим ущільненням валу, що не вимагає технічного обслуговування.
Технічні характеристики:
Матеріали:
Ущільнення:
HQQE/ HQQV - Стандартне торцеве одинарне ущільнення для води, що не містить гліколь. Герметизація торцевим ущільненням досягається з допомогою вторинних ущільнень (сільфон, гумові кільця) і пари тертя.
Електродвигун:
Стандартні електродвигуни Grundfos MG і Siemens
Захист електродвигуна:
Електродвигуни MG і Siemens
Особливості/переваги
Надійність
Енергоефективність
Зручність технічного обслуговування
Компактність
Придатний для слабо агресивних рідин
Висока корозійна стійкість
Можливість створення високого тиску за допомогою тільки одного насоса.
|
|
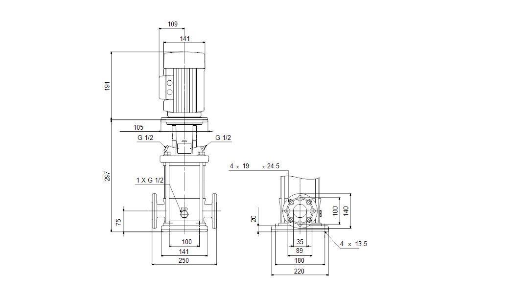
гідравлічні характеристики габаритний креслення |
Застосування Системи технологічного водопостачання Системи миття і очищення Перекачування кислот і лугів Системи ультрафільтрації Системи зворотного осмосу Плавальні басейни |
ОФІЦІЙНИЙ ДИСТРИБ'ЮТОР GRUNDFOS |
Насоси | |
Qmax, м3/год | 2,4 |
Hmax, м | 25,4 |
Ущільнення валу | HQQV |
Частота обертання, n/об/хв | 2873 |
Двигун, кВт | 0,37 |
Робоче колесо | 4 (Ступені: 4) |
Температура рідини | від - 20 °C до +90 °C |
Робочий тиск | 25 бар |
Клас ізоляції | F |
Ступінь захисту | IP 55 |
Кількість фаз | 3 |
Температура навколишнього середовища | +40 °C |