Вертикальний багатоступінчастий насос CR 3-27 A-FGJ-A-V-HQQV 3 ~ 400 В

Виробник: Grundfos
Модель: CR 3-27 A-FGJ-A-V-HQQV 3 ~ 400 В
Вертикальний багатоступінчастий насос CR 3-27 A-FGJ-A-V-HQQV 3 ~ 400 В
67 492 грн.

  • Наявність: На складі


Отримати консультацію

Отримати консультацію

Телефонуйте: +38 067 364 63 17 +38 099 062 70 17 Пишіть: nasos221@gmail.com

Сертифікований товар

Сертифікований товар

Даний товар сертифікований.

CR - Являє собою вертикальний багатоступінчастий відцентровий насос з нормальним всмоктуванням зі стандартним електродвигуном. Стандартна серія насосів CR може бути виконана з чотирьох матеріалів: чавун, дві марки нержавіючої сталі і титан. Існує одинадцять типорозмірів, що дозволяють забезпечити тиск аж до 50 бар, і кілька типів торцевих ущільнень, типів еластомерів і напруги живлення.

 
 

 

Насос складається з основи і головної частини. Проміжні камери і циліндричний кожух з'єднані між собою, а також з основою і головною частиною насоса за допомогою стяжних болтів. Конструкція «ін-лайн» дозволяє встановлювати насос на горизонтальному трубопроводі. Номенклатура насосів включає 13 типорозмірів з різним значенням витрати, кілька сотень типорозмірів з різними значеннями тиску. Всі насоси оснащені торцевим ущільненням валу, що не вимагає технічного обслуговування.

Технічні характеристики:

  • Подача: до 180 м3/год;
  • Напір: до 270 м;
  • Температура перекачуваного середовища: від - 20 °C до +120 °C;
  • Специсполнение: від - 40 °C до +180 °C;
  • Максимальна температура навколишнього середовища: +60 °C
  • Максимальний робочий тиск: 16/25/30 бар;
  • Клас ізоляції: F;
  • Клас захисту: IP 55;
  • Специсполнение: 40 бар;
  • Живлення:
    • P2: 0,37–1,5 кВт: 3 x 220–240/380–415 В;
    • P2: 2,2–5,5 кВт: 3 x 380–415 В;
    • P2: 7,5–22 кВт: 3 x 380–415/660–690 В;
    • P2: 30–200 кВт: 3 x 380–415/660–725 В;

Матеріали:

  • Підставу і головна частина:  Чавун;
  • Підставу і головна частина EN/DIN:  EN 1561  EN-GJL-200;
  • Підставу і головна частина AISI/ASTM: ASTM A48-25B;
  • Робоче колесо: Нержавіюча сталь;
    • Робоче колесо, EN/DIN: EN 1.4301;
    • Робоче колесо, AISI/ASTM: AISI 304;
  • Код матеріалу: A;
  • Код гуми: V;
  • Підшипник: SIC.

 

Ущільнення:

HQQE/ HQQV - Стандартне торцеве одинарне ущільнення для води, що не містить гліколь. Герметизація торцевим ущільненням досягається з допомогою вторинних ущільнень (сільфон, гумові кільця) і пари тертя.

Електродвигун:

Стандартні електродвигуни Grundfos MG і Siemens

  • Насоси CR, CRN поставляються зі стандартним асинхронним двополюсним електродвигун закритого типу з вентиляторним охолодженням. Основні розміри електродвигуна  сответствуют стандарту EN;
  • Допуски на електричні параметри згідно EN 60034;
  • Насоси CR, CRN в стандартному виконанні оснащені:
    • Трифазними електродвигунами MG потужністю до 22 кВт;
    • Двигунами Siemens потужністю від 30 до 200 кВт;
  • Насоси CR, CRN потужністю від 0,37 до 2,2 кВт можуть бути оснащені однофазними двигунами (1 x 220–230/240 В).

Захист електродвигуна:

Електродвигуни MG і Siemens

  • Однофазні електродвигуни мають вбудоване теплове реле для захисту від перевантаження IEC 34-11: (TP 211 згідно IEC 34-11);
  • Трифазні електродвигуни повинні підключатися до пускателю електродвигуна згідно з місцевими нормами і правилами;
  • Трифазні електродвигуни фірми Grundfos потужністю 3 кВт і більше має вбудований термістор (PTC), що відповідає вимогам DIN 44 082 (TP 211 згідно IEC 34-11).

 

Особливості/переваги
Надійність
Енергоефективність
Зручність технічного обслуговування
Компактність
Придатний для слабо агресивних рідин
Висока корозійна стійкість
Можливість створення високого тиску за допомогою тільки одного насоса.

 

 

гідравлічні характеристики

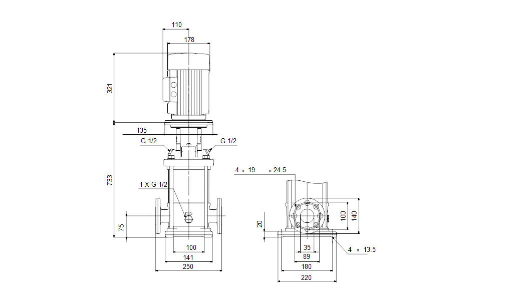
габаритний креслення


 
                                                                                                  
 
Застосування
Системи технологічного водопостачання
Системи миття і очищення
Перекачування кислот і лугів
Системи ультрафільтрації
Системи зворотного осмосу
Плавальні басейни

ОФІЦІЙНИЙ ДИСТРИБ'ЮТОР GRUNDFOS
НАЯВНІСТЬ НА СКЛАДІ
ШВИДКА ДОСТАВКА

 

 

 

Насоси
Qmax, м3/год 4,5
Hmax, м 180,6
Ущільнення валу HQQV
Частота обертання, n/об/хв 2899
Двигун, кВт 2,2
Робоче колесо 27 (Ступені: 27)
Температура рідини від - 20 °C до +90 °C
Робочий тиск 25 бар
Клас ізоляції F
Ступінь захисту IP 55
Кількість фаз 3
Температура навколишнього середовища +60 °C

Написати відгук

Увага: HTML не підтримується!
    Погано           Добре