Отримати консультацію
Телефонуйте: +38 067 364 63 17 +38 099 062 70 17 Пишіть: nasos221@gmail.com
Телефонуйте: +38 067 364 63 17 +38 099 062 70 17 Пишіть: nasos221@gmail.com
Даний товар сертифікований.
Призначення: Розроблено спеціально для індііндивідуальні і колективних систем опалення та кондиціонування.
Робочий діапазон: Продуктивність: від 0,6 до 67 м3/год, напір: до 13,7 м.
Діапазон температур рідини: від -15°C до +120°C.
Робочий тиск: 10 бар (1000 кПа).
Максимальна температура окружаючей середовища: +40°C.
Клас захисту: IP 55.
Клас ізоляції: F.
Серійні фланці: PN 10/PN 6.

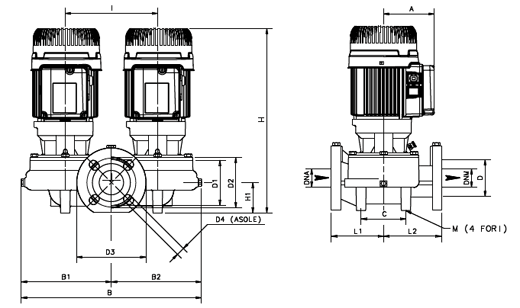
A | B | B1 | B2 | C | DNA | DNM | D | D1 | D2 | D3 | D4 | H | H1 | I | L | L1 | L2 | M | РОЗМІР УПАКОВКИ | ВАГА КГ | К-ВО НА ПАПЛЕТЕ | ||
L/A | L/B | H | |||||||||||||||||||||
110 | 434 | 217 | 217 | 120 | 50 | 50 | 90 | 110 | 125 | 165 | 4 Slots 18x25,5 | 410 | 73 | 240 | 280 | 140 | 140 | 4 Holes 14 | 540 | 420 | 610 | 54 | 2 |
| Насоси | |
| Qmax, м3/год | 24 |
| Hmax, м | 8,9 |
| Двигун, кВт | 0,75 |
| Температура рідини | +120°C |
| Робочий тиск | 10 бар |
| Клас ізоляції | F |
| Ступінь захисту | IP 55 |
| Кількість фаз | 3 |