Отримати консультацію
Телефонуйте: +38 067 364 63 17 +38 099 062 70 17 Пишіть: nasos221@gmail.com
Телефонуйте: +38 067 364 63 17 +38 099 062 70 17 Пишіть: nasos221@gmail.com
Даний товар сертифікований.
Wilo-DrainLift WS 1100 - Шахтна насосна станція для установки в грунт. Готова до монтажу шахта з синтетичного матеріалу в якості станції з одним або двома насосами для монтажу в грунті, з чотирма патрубками для підключення припливних трубопроводів. Шахта з синтетичного матеріалу має чотири зовнішніх бічних ребра для захисту від спливання. Дно шахти має напівкруглу форму, щоб мінімізувати ризик відкладень на дні і максимально збільшити стабільність форми.
Вживані насоси:
REXA UNI V05/V06:
Rexa FIT:
Rexa PRO:
Drain TP 80:
Drain MTC 32:
REXA CUT GI/GE:
Матеріали:
Особливості/переваги
Конструкція, що виключає утворення відкладень
Висока міцність завдяки напівкруглою формою підстави шахти
Для вибору на місці доступні чотири патрубки для приєднання припливних трубопроводів
Трубопроводи всередині шахти з нержавіючої сталі V4A
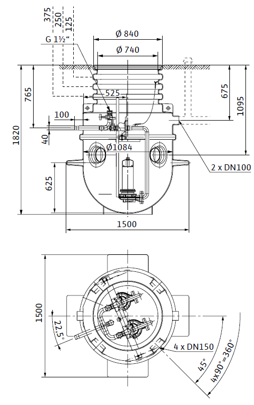
габаритний креслення
| Застосування Перекачування попередньо очищених стічних вод без фекалій, які неможливо відвести в каналізаційну систему за рахунок природного перепаду висот, а також для відводу стоків, рівень води яких нижче рівня зворотного підпору в місцевої каналізаційної мережі. |
ОФІЦІЙНИЙ ДИСТРИБ'ЮТОР WILO |
| Насоси | |
| Загальний обсяг резервуара, л | 1215 |
| Напірний патрубок | Rp 1½ |
| Температура рідини | +35°C |
| Робочий тиск | 6 бар |
| Температура навколишнього середовища | +20°C |