Отримати консультацію
Телефонуйте: +38 067 364 63 17 +38 099 062 70 17 Пишіть: nasos221@gmail.com
Телефонуйте: +38 067 364 63 17 +38 099 062 70 17 Пишіть: nasos221@gmail.com
Даний товар сертифікований.
Призначення: Розроблено спеціально для індивідуальних і колективних систем водопостачання, опалення та кондиціонування, а також систем пере - качивания рідини в промисловості і сільському господарстві.
Конструкція за стандартом: СЕІ2-3
Ступінь захисту: ІР 55
Клас ізоляції: F
Серійне напруга: однофазний 208/240 В / 50-60 Гц, трифазний 380/240 В — 50-60 Гц
Швидкість обертання: 1450 — 29001/хв.
Робочий діапазон: Продуктивність - від 1 до 210 м3/год. Напір - до 60 м водяного стовпа
Перекачувана жидкость: чистий, не містить твердих або абразивних частинок, не в'язка, не агресивна, не кристалізована, хімічно нейтральна, близька за характеристиками до води, Температура - від -10°C до +140°C.
Максимальна температура навколишнього середовища: +40°С.
Максимальний робочий тиск: 16 бар.
Фланці: PN 16 DIN 2533
Монтаж: в горизонтальному положенні.
Спеціальне виконання за замовленням: насоси для рідин, відмінних від води.
Інша частота та/або напруга.
Частотний перетворювач МСЕ/С
Розроблений спеціально для управління насосами в індивідуальних і колективних системах опалення, кондиціонування та охолодження. Підтримує постійний перепад тисків в системі за рахунок регулювання швидкості обертання двигуна. Це пристрої, які монтуються на насос, які комплектуються датчиками тиску, як опція, можуть обладнуватися також датчиками витрати. Датчики витрати гарантують найкраще регулювання тиску.

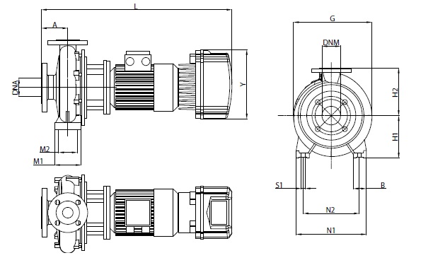
A | B | G | H1 | H2 | L | M1 | M2 | N1 | N2 | S1 | X | Y | РОЗМІР УПАКОВКИ | ВАГА КГ | ||
L/A | L/B | H | ||||||||||||||
100 | 50 | 296 | 160 | 180 | 718 | 100 | 70 | 265 | 212 | M10 | 100 | 262 | 850 | 500 | 660 | 70 |
| Насоси | |
| Qmax, м3/год | 36 |
| Hmax, м | 15,6 |
| Двигун, кВт | 1,50 |
| Температура рідини | +140°C |
| Робочий тиск | 16 бар |
| Клас ізоляції | F |
| Ступінь захисту | IP 55 |
| Кількість фаз | 1 |
| Швидкість обертання, 1/хв | 1450 — 2900 |
| Температура навколишнього середовища | +40°C |
| Конструкція за стандартом | CEI 2-3 |