Отримати консультацію
Телефонуйте: +38 067 364 63 17 +38 099 062 70 17 Пишіть: nasos221@gmail.com
Телефонуйте: +38 067 364 63 17 +38 099 062 70 17 Пишіть: nasos221@gmail.com
Даний товар сертифікований.
Wilo-CronoTwin-DL – Здвоєний насос з сухим ротором у виконанні Inline з фланцевим з'єднанням. Два електродвигуна на одній насосної частини дозволяють працювати в алгоритмі робочий – резервний, робочий-піковий, коли додаткова щабель підключається при нестачі однієї. При виході з ладу одного електродвигуна з різних причин, робота триває на другому, поки перший знаходиться на ремонті.
Механічний сальник, який не залежить від напрямку обертання вала з робочою температурою до +140 С, робоче колесо, що має знижені кавітаційні характеристики роблять насосне обладнання серії DL єдино можливим для використання багатьох відповідальних об'єктах.
Позначення:
Технічні характеристики:
Матеріали:
Особливості/переваги
Низькі експлуатаційні витрати завдяки високому ККД
Можливе застосування в системах кондиціонування і охолодження за рахунок надійного відведення конденсату завдяки досконалої конструкції з'єднувального елемента (запатентована)
Висока ступінь захисту від корозії завдяки катафорезному покриттю.
Режим роботи «основний/резервний» або режим роботи при пікових навантаженнях (за допомогою додаткового зовнішнього пристрою)
|
|
|
| гідравлічні характеристики – одного насоса |
гідравлічні характеристики – двох насосів |

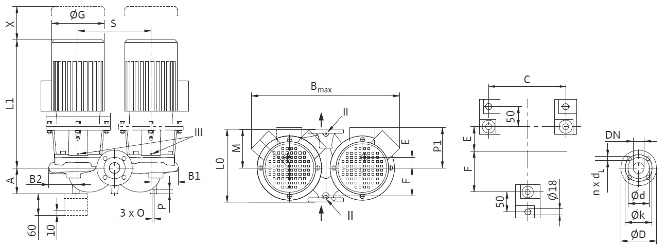
габаритний креслення
|
Номінальний внутрішній діаметр фланця/патрубка |
Габаритна довжина, мм |
Розміри, мм |
Вага, кг |
||||||||||||||
|
DN |
LO |
A |
B1 |
B2 |
bмакс. |
C |
E |
F |
ØG |
L1 |
M |
O |
P |
P1 |
S |
X |
144 |
|
50 |
440 |
120 |
145 |
148 |
693 |
500 |
50 |
200 |
217 |
517 |
200 |
M10 |
20 |
160 |
400 |
100 |
|
|
Розміри, мм |
|||
|
Ø D |
Ø d |
Ø k |
n x Ø dL Шт. х мм |
|
165 |
99 |
125 |
4 х 19 |
| Застосування Перекачування води системи опалення (відповідно до VDI 2035), холодної води та водогліколевою суміші без абразивних включень в системах опалення��ня, кондиціонування та охолодження. |
ОФІЦІЙНИЙ ДИСТРИБ'ЮТОР WILO |
| Насоси | |
| Qmax, м3/год | 78 |
| Hmax, м | 15 |
| Кількість полюсів двигуна | 4 |
| Двигун, кВт | 2,20 |
| Температура рідини | от –20 до +140 °C |
| Робочий тиск | 16 бар |
| Клас ізоляції | F |
| Ступінь захисту | IP 55 |
| Кількість фаз | 3 |
| Температура навколишнього середовища | от –15 до +40 °C |