Отримати консультацію
Телефонуйте: +38 067 364 63 17 +38 099 062 70 17 Пишіть: nasos221@gmail.com
Телефонуйте: +38 067 364 63 17 +38 099 062 70 17 Пишіть: nasos221@gmail.com
Даний товар сертифікований.
Wilo-Yonos PICO-STG - Циркуляційний насос з мокрим ротором з різьбовим приєднанням, електронно-двигун двигуном, стійкий до струмів блокування, і вбудованим електронним регулюванням потужності. Вбудована електронна система регулювання частоти обертання для плавного регулювання перепаду тиску.
Матеріали:
Спорядження/функції:
Режими роботи:
Ручне управління:
Автоматичне управління:
Сигналізація та індикація: Індикація режимів роботи або несправностей
Обладнання:
Особливості/переваги
Червона кнопка для установки режиму регулювання ∆p-v або фіксованої частоти обертання
Зовнішнє регулювання частоти обертання через вбудовані інтерфейси PWM 1 (геотермічні системи) і PWM 2 (геліотермічні системи)
Гнучкий кабель електроживлення із з'єднувачем Wilo-Connector
Корпус насоса з катафорезне захищає від корозії при утворенні конденсату
Кільцевий світлодіод для індикації робочого режиму і несправностей
|
|
|
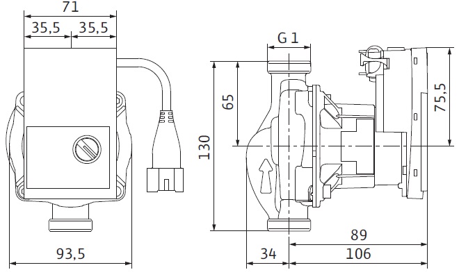
| гідравлічні характеристики | габаритний креслення |
|
Різьбове з'єднання труб |
Різьблення |
Індекс енергоефективності (EEI) |
Вага, кг |
|
Rp ½ |
G1 |
≤ 20 |
1,8 |
| Застосування Первинні контури сонячних і геотермальних установок |
ОФІЦІЙНИЙ ДИСТРИБ'ЮТОР WILO |
| Насоси | |
| Qmax, м3/год | 4,5 |
| Hmax, м | 8 |
| Частота обертання, n/об/хв | 4800 |
| Двигун, кВт | 0.075 |
| Температура рідини | от 0 °C до +110 °C |
| Робочий тиск | 10 бар |
| Клас ізоляції | F |
| Ступінь захисту | IP X4D |
| Кількість фаз | 1 |