Отримати консультацію
Телефонуйте: +38 067 364 63 17 +38 099 062 70 17 Пишіть: nasos221@gmail.com
Телефонуйте: +38 067 364 63 17 +38 099 062 70 17 Пишіть: nasos221@gmail.com
Даний товар сертифікований.
ДАНЕ ОБЛАДНАННЯ ПОСТАЧАЄТЬСЯ КОМПЛЕКТОМ
Загальні відомості та призначення
Консольний відцентровий насос призначений для перекачування і циркуляції хімічно активних або нейтральних рідин з водневим показником (рН) від 6 до 8,5, густиною до 1350 кг/м3, кінематичною в'язкістю не більше 1*10-6 м2/с, температурою до плюс 120 оС (до 378 К), що не містять абразивних зважених частинок більше 0,5% за об'ємом, мікротвердістю не більше 9000 МПа, максимальним розміром до 2мм.
Особливості конструкції.
Корпус насоса являє собою чавунну відливку, в якій виконані вхід в насос і вихідний патрубок, спірально-кільцевий канал відведення та опорні лапи. Вхід в насос розташований по осі обертання, вихідний патрубок спрямований вертикально вгору і розташований в одній площині з віссю обертання робочого колеса.
Герметизуюче ущільнення валу – механічне ущільнення, графітокераміка;
Насос виготовлений у відповідності до ISO 9905
Робоче колесо-відцентрове, одностороннього входу, закритого типу.
Робоче колесо розвантажено від осьових сил радіальними лопатками на несучому диску колеса.
Ротор насоса приводиться в обертання електродвигуном через сполучну муфту.
Напрямок обертання ротора ліве (проти годинникової стрілки), якщо дивитися з боку всмоктувального патрубка.
Конструкція та перелік запчастин стандартних модифікацій

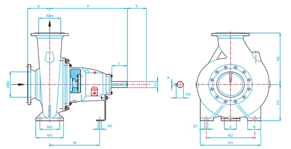
Габаритні розміри насосa:
|
Модель |
АBb |
ABe |
A |
F |
H1 |
H2 |
В |
M1 |
M2 |
N1 |
N2 |
S1 |
S2 |
D |
Da |
K |
L |
W |
Z |
Вага (кг) |
x |
|
СА 65/315 A |
65 |
100 |
125 |
530 |
225 |
280 |
80 |
160 |
120 |
400 |
315 |
M18 |
M12 |
42 |
45 |
12 |
110 |
345 |
110 |
141 |
140 |

Габаритні розміри агрегату

Робочі параметри
|
Модель |
Двигун |
Н(м) |
Q м3/год |
|||||
|
кВт |
об/хв. |
50 |
100 |
150 |
200 |
250 |
||
|
СA 65/315 A |
55 |
3000 |
96 |
92 |
80 |
60 |
- |
|
СЕРТИФІКАТ

СЕРТИФІКАТ НАСОСИ НЕП_Страница_2.jpg)
| Насоси | |
| Qmax, м3/год | 100 |
| Hmax, м | 90 |
| Двигун, кВт | 7,5 |