Отримати консультацію
Телефонуйте: +38 067 364 63 17 +38 099 062 70 17 Пишіть: nasos221@gmail.com
Телефонуйте: +38 067 364 63 17 +38 099 062 70 17 Пишіть: nasos221@gmail.com
Даний товар сертифікований.
Загальні відомості.
Насоси серії ТG відносяться до одноступінчастих насосів двійного входу з розділеним корпусом, з можливістю горизонтального та вертикального виконання а також з конфігурацією напрямку обертання в залежності від розміщення насосного агрегату.
Насос призначений для перекачування і циркуляції хімічно активних або нейтральних рідин з водневим показником (рН) від 6 до 8,5, густиною до 1350 кг/м3, кінематичною в'язкістю не більше 1*10-6 м2/с, температурою до плюс 120 оС , що не містять абразивних зважених частинок більше 0,5% за об'ємом, мікротвердістю не більше 9000 МПа, максимальним розміром до 2мм.
Всмоктувальні та нагнітальні фланці:ISO 7005-2 (PN 10 - PN 16 - PN 25)
Робоча температура -10 ° C до 75 ° C
Самоохолоджуюче сальникове ущільнення-10 ° C до 75 ° C
Механічне ущільнення -10 ° C до 120 ° C
Температура навколишнього середовища (максимум): 40 ° C
Тиск (максимум): 16 бар
Насоси даної серії застосовуються для:
- Охолодження води та циркуляції,
- Водопостачання населених пунктів,
- Целюлозно-паперовій та металургійній галузі,
- Електростанції.
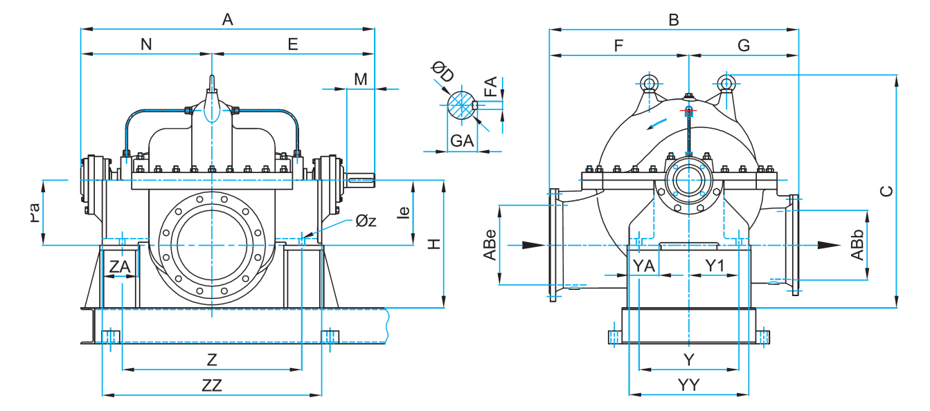
Габаритні розміри насосу.
|
Модель |
АBb |
ABe |
A |
B |
C |
N |
E |
F |
G |
H |
le |
Pa |
M |
D |
GA |
FA |
Y |
Y1 |
YY |
Z |
ZZ |
ZA |
Вага (кг) |
|
TG 250/620 |
250 |
300 |
1420 |
1200 |
1215 |
635 |
790 |
650 |
550 |
670 |
370 |
370 |
140 |
70 |
74,5 |
20 |
500 |
250 |
600 |
910 |
1090 |
180 |
1330 |
Габаритні розміри агрегату.
Габаритні розміри вказані для довідки, в ході комплектування можуть бути внесені незначні зміни.
Особливості конструкції.
–корпус зі стандартним фланцевим вхідним і вихідним отвором. Матеріал корпусу насоса: чавун GJL 250 ;
- матеріал робочого колеса: чавун GJL 250;
- торцеве герметизуюче ущільнення, графітокераміка;
Виконання
Робочі параметри.
|
Модель |
Двигун |
Н(м) |
Q м3/год |
|||||||
|
кВт |
об/хв. |
500 |
650 |
800 |
950 |
1250 |
1500 |
1670 |
||
|
TG 250/620 |
400 |
1500 |
114 |
111 |
108 |
103,5 |
90 |
74 |
63 |
|
Гідравлічна характеристика.

Характеристики та технічні дані електроприводу
Електродвигун високої напруги з компактною структурою - новий продукт нашої компанії, який має високий ККД, мінімальну вібрацію та низький рівень шуму. Він також дуже простий в обслуговуванні, має красиву форму та меншу вагу.
Призначення
Двигуни серії для приводу різних типів універсальних машин, таких як компресори, вітрові машини, насоси і дробарки та інше механічне обладнання. Також широко використовується в нафтохімічній промисловості, гірничодобувній промисловості та електростанціях як рушійна сила в інших важких умовах.
|
Потужність, |
n, |
ККД, |
cosφ |
Iн, А |
Тmax./Іn |
Tst/In |
Imax./In |
Маса кг. |
|
кВт |
об/хв |
% |
U=6000 В |
|||||
|
400 |
1500 |
95.1 |
0.88 |
46 |
2.3 |
0.96 |
6,3 |
3290 |