Отримати консультацію
Телефонуйте: +38 067 364 63 17 +38 099 062 70 17 Пишіть: nasos221@gmail.com
Телефонуйте: +38 067 364 63 17 +38 099 062 70 17 Пишіть: nasos221@gmail.com
Даний товар сертифікований.
ULTRA V/L – Багатоступінчастий вертикальний відцентровий насос з робочою частиною з нержавіючої сталі. Для перекачування чистих, без домішок рідин у системах підвищеного тиску, поливу, подачі питної і гліколевої води, в системах водопідготовки, харчової промисловості, опалення та кондиціонування повітря, у мийних системах.
Позначення:
Характеристики:
Матеріали:
Особливості/переваги
Моноблочна компактна конструкція
Безшумність
Чудові показники продуктивності, що дозволяють значно знизити експлуатаційні витрати і витрати енергії
Економічність
|
|
||||||||||||||||||||||||||||||||||||
гідравлічні характеристики
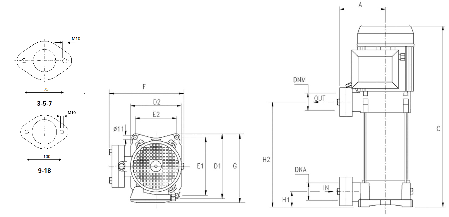
габаритний креслення
|
Застосування Чистих без домішок рідин У системах підвищеного тиску Подачі питної і гліколевої води У системах водопідготовки Харчової промисловості Опалення та кондиціонування повітря В мийних системах |
ОФІЦІЙНИЙ ДИСТРИБ'ЮТОР PENTAX |
Насоси | |
Qmax, м3/год | 24 |
Hmax, м | 96,1 |
Корпус насоса | Чавун |
Двигун, кВт | 5,5 |
Опора двигуна | Чавун |
Робоче колесо | Noryl |
Вал двигуна | Хромонікелева сталь AISI 304 |
Температура рідини | від +5°C до +35°C |
Робочий тиск | 14 бар |
Клас ізоляції | F |
Ступінь захисту | IP 44; IP 55 |
Кількість фаз | 3 |