Моноблочний відцентровий насос з двома робочими колесами Pentax CBT 310/01

Виробник: PENTAX
Модель: CBT 310/01
Моноблочний відцентровий насос з двома робочими колесами Pentax CBT 310/01
24 500 грн.

  • Наявність: На складі


Отримати консультацію

Отримати консультацію

Телефонуйте: +38 067 364 63 17 +38 099 062 70 17 Пишіть: nasos221@gmail.com

Сертифікований товар

Сертифікований товар

Даний товар сертифікований.

CB – Відцентровий насос з двома робочими колесами для цивільних і промислових систем підвищеного тиску, два назад позиціонуються робочих колеса забезпечують високий напір при гарній продуктивності.

 
 

 

Характеристики:

  • Температура рідини:
    • Робоче колесо Noryl® 0°C - 50 °C;
    • Робоче колесо з латуні 0°C - 90 °C.
  • Робочий тиск:
    • Макс. 6 бар (CB100);
    • Макс. 11 бар (CB160-1500);
  • Клас ізоляції: F;
  • Ступінь захисту:
    • IP 44;
    • IP 55 (CB 800÷1500).
  • 2-х полюсний індукційний двигун:
    • 3~ 230/400V-50Hz P 4 kW;
    • 3~ 400/690V-50Hz P > 4 kW
    • 1~ 230В-50Гц; з теплозахистом.

Матеріали:

  • Корпус насоса: Чавун;
  • Опора двигуна: Чавун;
  • Робоче колесо:  
    • Латунь або Noryl® (CB 100÷900);
    • Латунь (CB 800÷1500).
  • Механічне ущільнення: Кераміко-графітове;
  • Вал двигуна:
    • Сталь AISI 303;
    • Сталь AISI 416 (CB 100).

 

Особливості/переваги
Два назад позиціонують робочих коліс забезпечують високий напір при гарній продуктивності.

 

 

гідравлічні характеристики

 

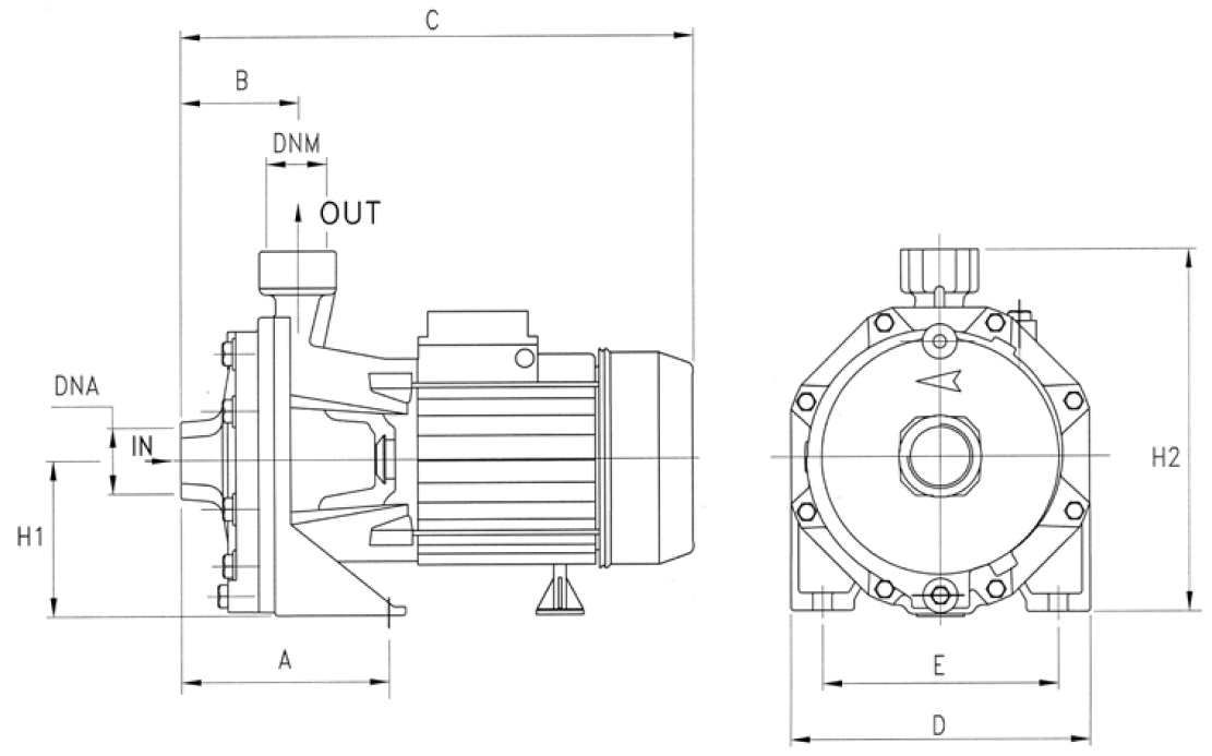
габаритний креслення

 

РОЗМІРИ (мм)

кг

A

B

C

D

E

H1

H2

DNA

DNM

I

L

M

85

190

120

645

275

210

150

330

2” G

1” ¼ G

640

310

370


 
                                                                                                  
 
Застосування
Для цивільних і промислових систем підвищеного тиску

ОФІЦІЙНИЙ ДИСТРИБ'ЮТОР PENTAX
НАЯВНІСТЬ НА СКЛАДІ
ШВИДКА ДОСТАВКА

 

 

 

Насоси
Qmax, м3/год 33
Hmax, м 93,6
Двигун, кВт 9,2
Робоче колесо Латунь
Температура рідини від 0 °C до +90 °C
Робочий тиск 11 бар
Клас ізоляції F
Ступінь захисту IP 55
Кількість фаз 3

Написати відгук

Увага: HTML не підтримується!
    Погано           Добре