Отримати консультацію
Телефонуйте: +38 067 364 63 17 +38 099 062 70 17 Пишіть: nasos221@gmail.com
Телефонуйте: +38 067 364 63 17 +38 099 062 70 17 Пишіть: nasos221@gmail.com
Даний товар сертифікований.
Опис: Завдяки ротационному робочого колеса зі сторони всмоктування, створюється знижений тиск, повітря змішується з рідиною у всмоктувальній магістралі. Повітряно-рідинна суміш надходить у зону тиску, повітря відділяється від рідини і вона працює у звичайному відцентровому насосі.
Для запобігання випорожнення насосної частини при відстої насоса з боку всмоктування встановлений зворотний клапан; у разі випадкового спорожнення всмоктуючої магістралі в насосі залишається достатня кількість рідини.
Застосування: Перекачування води з річок, струмків, перекачування брудної води, використання в агропромисловому комплексі, будівлях. Завдяки конструкції з відкритим робочим колесом дозволяє перекачувати рідини з твердими включеннями, з невеликим вмістом піску та інших рідин з каламутною і брудною водою.
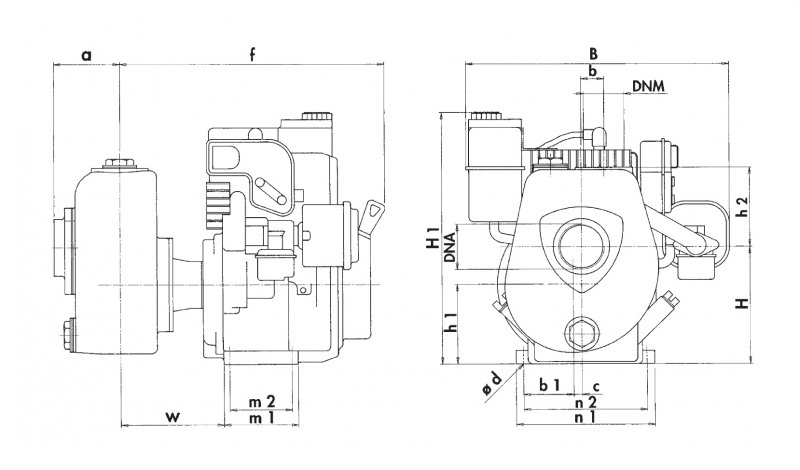
Технічні характеристики::
Установка: Перед пуском заповніть рідиною насосну частину. Насос повинен розташовуватися тільки в горизонтальному положенні.

|
DNA |
DNM |
f |
a |
m1 |
m2 |
n1 |
n2 |
H |
H1 |
h1 |
h2 |
w |
B |
b |
b1 |
c |
Ø d |
Kg |
|
G2” |
G2” |
356 |
90 |
95 |
80 |
182 |
162 |
156 |
340 |
106 |
105 |
138 |
342 |
30 |
66
|
11 |
8,5 |
24,3 |
| Насоси | |
| Qmax, м3/год | 36 |
| Hmax, м | 25,5 |
| Максимальна глибина всмоктування, м | 8 |
| Двигун, кВт | 2,7 |
| Температура рідини | +70°C |
| Робочий тиск | 6 бар |
| Температура навколишнього середовища | +40°C |