Отримати консультацію
Телефонуйте: +38 067 364 63 17 +38 099 062 70 17 Пишіть: nasos221@gmail.com
Телефонуйте: +38 067 364 63 17 +38 099 062 70 17 Пишіть: nasos221@gmail.com
Даний товар сертифікований.
Застосування: горизонтальні Багатоступінчасті відцентрові насоси серії ТМB використовуються для перекачування води в установках високого тиску, охолоджувальних та опалювальних установках, рефрижераторах, бойлерних системах, сільському господарстві, конденсатних установках та установках пожежогасіння.
Конструктивні характеристики: Ці насоси мають горизонтально розташовану вісь; привід – за допомогою пружинного або гідродинамічні муфти.
Усмоктувальна частина з аксіальним входом. Сходи складаються з корпусу, дифузора і стопорних кілець. Змінні робочі колеса. Патрубок вихідний секції – з вертикальним виходом і може бути повернутий на 90°. Висока міцність посадочного місця підшипника з боку приводу. Опора з боку всмоктування змащується перекачуваною рідиною. Вал виготовлений з нержавіючої сталі. Регульоване сальникове ущільнення на валу або механічне – регульоване, або нерегульоване, в залежності від робочого тиску рідини.
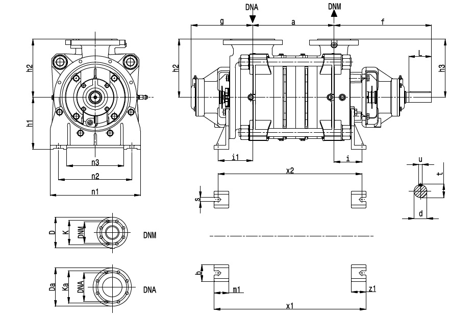
Технічні характеристики:
Матеріали:

|
DNA |
DNM |
a |
g |
f |
x1 |
x2 |
n1 |
n2 |
n3 |
h1 |
h2 |
h3 |
m1 |
z1 |
s |
b |
i1 |
i |
L |
d |
t |
u |
|
100 |
65 |
228,5 |
263,5 |
395 |
519 |
488 |
320 |
250 |
190 |
200 |
225 |
225 |
70 |
70 |
17 |
65 |
136 |
123 |
80 |
38 |
41,3 |
10 |
| Насоси | |
| Qmax, м3/год | 110 |
| Hmax, м | 33 |
| Частота обертання, n/об/хв | 1450 |
| Двигун, кВт | 9 |
| Температура рідини | +120°C |
| Робочий тиск | 40 бар |
| Клас ізоляції | F |
| Ступінь захисту | IP 55 |
| Кількість фаз | 3 |
| Температура навколишнього середовища | +40°C |