Отримати консультацію
Телефонуйте: +38 067 364 63 17 +38 099 062 70 17 Пишіть: nasos221@gmail.com
Телефонуйте: +38 067 364 63 17 +38 099 062 70 17 Пишіть: nasos221@gmail.com
Даний товар сертифікований.
Застосування: Насоси серії NCBZ застосовуються в рециркуляційних установках, системах нагріву, охолодження, повітряного кондиціонування, водопостачання, групах високого тиску, установках пожежогасіння.
Конструктивні характеристики:
Гідравлічна частина:
Серія NCB: механічне ущільнення за нормами UNI EN 12756, інші ущільнення по запиту.
Двигун – асинхронний з зовнішнім охолодженням:
Стандартна напруга живлення:
Технічні характеристики::
Напор:
Максимальний робочий тиск (визначено як сума максимальної глибини всмоктування і напору від нульової точки):
|
Тип |
Матеріал |
Температура |
PN max. стандарт |
PN max. за запитом |
|
NCB |
Чавун |
-15 0З/+120 0З |
10 |
16 |
|
NCB-M |
Бронза |
-15 0З/+120 0З |
10 |
/ |
|
NCB-Х |
Нерж.сталь |
-15 0З/+120 0З |
10 |
/ |
Відповідність нормативам:
Робочі характеристики: Насоси серії NCB можуть працювати в горизонтальному і вертикальному положенні – при цьому двигун знаходиться у верхній частині (потрібно узгоджувати з технічним відділом заводу-виробника). Параметри відображені на шильдику насоса і в каталозі отримані при випробуванні з водою густиною 1000 кг/куб. м при висоті всмоктування 1,5 м. При збільшенні висоти всмоктування, максимум до 6 м, необхідно коригувати величину напору. Усмоктувальна магістраль повинна мати наступні розміри:
|
DN (діаметр всмоктування. патрубка насоса), мм |
DN (діаметр всмоктувальної магістралі), мм |
|
50 |
80 |
|
65 |
100 |
|
80 |
150 |
|
100 |
200 |
|
125 |
250 |
|
150 |
300 |
|
200 |
350 |
|
250 |
400 |
|
300 |
500 |
|
350 |
600 |

|
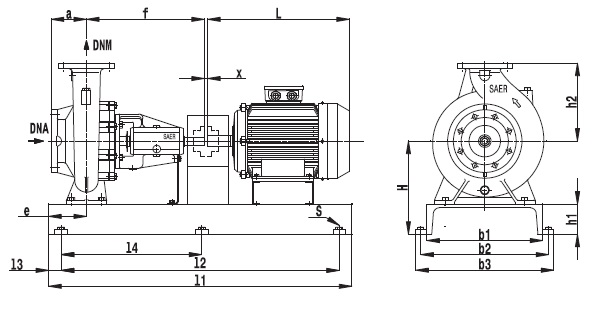
Розмір двигуна |
a [mm] |
f [mm] |
H [mm] |
h1 [mm] |
h2 [mm] |
b3 [mm] |
b2 [mm] |
b1 [mm] |
S |
e [mm] |
l1 [mm] |
l2 [mm] |
l3 [mm] |
l4 [mm] |
x |
L |
I |
II [mm] |
III [mm] |
Kg |
|
160L |
125 |
360 |
280 |
100 |
225 |
460 |
410 |
360 |
M16 |
95 |
1015 |
915 |
50 |
457,5 |
4 |
670 |
6 |
20 |
0 |
204 |
I - Тип рами, II. – Товщина для двигуна, III - Товщина для насоса

| Насоси | |
| Qmax, м3/год | 195 |
| Hmax, м | 37 |
| Частота обертання, n/об/хв | 2900 |
| Двигун, кВт | 18,5 |
| Температура рідини | +120°C |
| Робочий тиск | 10 бар |
| Клас ізоляції | F |
| Ступінь захисту | IP 55 |
| Кількість фаз | 3 |
| Температура навколишнього середовища | +40°C |