Отримати консультацію
Телефонуйте: +38 067 364 63 17 +38 099 062 70 17 Пишіть: nasos221@gmail.com
Телефонуйте: +38 067 364 63 17 +38 099 062 70 17 Пишіть: nasos221@gmail.com
Даний товар сертифікований.
Застосування: Насоси серії NCBKZ застосовуються в рециркуляційних установках, системах нагріву, охолодження, повітряного кондиціонування, водопостачання, групах високого тиску, установках пожежогасіння.
Конструктивні характеристики:
Гідравлічна частина:
Двигун – асинхронний з зовнішнім охолодженням:
Стандартна напруга живлення:
Технічні характеристики::
Продуктивність:
Напір:
Максимальний робочий тиск (визначено як сума максимальної глибини всмоктування і напору від нульової точки):
Тип |
Матеріал |
Температура |
PN max. стандарт |
PN max. за запитом |
NCBК |
Чавун |
-15 0З/+120 0З |
10 |
16 |
NCBК-M |
Бронза |
-15 0З/+120 0З |
10 |
/ |
NCBК-Х |
Нерж.сталь |
-15 0З/+120 0З |
10 |
16 |
Відповідність нормативам:
Робочі характеристики: Насоси серії NCBK можуть працювати в горизонтальному і вертикальному положенні – при цьому двигун знаходиться у верхній частині (потрібно узгоджувати з технічним відділом заводу-виробника). Параметри відображені на шильдику насоса і в каталозі отримані при випробуванні з водою густиною 1000 кг/куб. м при висоті всмоктування 1,5 м. При збільшенні висоти всмоктування, максимум до 6 м, необхідно коригувати величину напору. Усмоктувальна магістраль повинна мати наступні розміри:
DN (діаметр всмоктування. патрубка насоса), мм |
DN (діаметр всмоктувальної магістралі), мм |
50 |
80 |
65 |
100 |
80 |
150 |
100 |
200 |
125 |
250 |
150 |
300 |
200 |
350 |
250 |
400 |
300 |
500 |
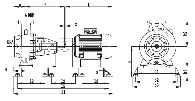
MEC |
a [mm] |
f [mm] |
H [mm] |
h1 [mm] |
h2 [mm] |
b3 [mm] |
b2 [mm] |
b1 [mm] |
S |
e [mm] |
l1 [mm] |
l2 [mm] |
l3 [mm] |
x |
L |
I |
II [mm] |
III [mm] |
Kg |
315L |
300 |
640 |
645 |
220 |
600 |
990 |
910 |
820 |
M20 |
345 |
2270 |
700 |
2200 |
4 |
1340 |
23 |
110 |
0 |
|
Насоси | |
Qmax, м3/год | 2200 |
Hmax, м | 37 |
Частота обертання, n/об/хв | 1450 |
Двигун, кВт | 160 |
Температура рідини | +120°C |
Робочий тиск | 10 бар |
Клас ізоляції | F |
Ступінь захисту | IP 55 |
Кількість фаз | 3 |
Температура навколишнього середовища | +40°C |