Моноблочний насос з одним робочим колесом Speroni 12 ME 50

Виробник: SPERONI
Модель: 12 ME 50
Моноблочний насос з одним робочим колесом Speroni 12 ME 50
0 грн.

  • Наявність: На складі


Отримати консультацію

Отримати консультацію

Телефонуйте: +38 067 364 63 17 +38 099 062 70 17 Пишіть: nasos221@gmail.com

Сертифікований товар

Сертифікований товар

Даний товар сертифікований.

Застосування:  Моноблочні відцентрові насоси горизонтальні з одним робочим колесом. Насос призначений для перекачування чистої води, води в системах опалення та виробничо-господарської води, конденсату та інших жидкотекучих, не містять мінеральних масел робочих середовищ без абразивних або довговолокнистих включень і речовин. Насос з нормальним всмоктуванням і спіральним корпусом моноблочної компонування використовується в промислових системах водяного охолодження і циркуляції, системах опалення та кондиціювання, водопостачання і водопідготовки, технологічних процесах.

Технічні характеристики:

  • макс. Температура рідини: 90°C (для інших цілей)
  • Температура рідини: до 35°C (для домашнього використання у відповідності з EN 60335-2-41)
  • Температура навколишнього середовища: не більше 40°С
  • Максимальна глибина всмоктування: 7 м
  • Призначений для промислового застосування

Двигун:

  • 2-х полюсний електродвигун (2850 об/хв)
  • Теплоізоляція: клас F
  • Клас захисту: IP 55

Матеріали:

  • Корпус насоса: Чавун
  • Моторна підтримка Чавуну
  • Робоче колесо Латунь
  • Вал і ротор двигуна нержавіюча сталь AISI 304
  • Механічне торцеве ущільнення Кераміка / Графіт / NBR


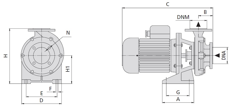
Габаритні розміри, мм

Габаритні розміри, мм


Вага

A

B

C

D

E

F

G

H

H1

N

DNA

DNM

P

L

H

Kg

210

100

640

270

220

14

170

375

190

16

65

65

372

805

550

91,1

Насоси
Qmax, м3/год 42
Hmax, м 58
Максимальна глибина всмоктування, м 7
Частота обертання, n/об/хв 2850
Двигун, кВт 9,2
Температура рідини +90°C
Клас ізоляції F
Ступінь захисту IP 55
Кількість фаз 3
Температура навколишнього середовища +40°C

Написати відгук

Увага: HTML не підтримується!
    Погано           Добре