Багатоступінчастий секційний насос ЦНС (г) 38-110 без двигуна на рамі

Виробник: Україна
Модель: ЦНС(г) 38-110 без двигателя на раме
Багатоступінчастий секційний насос ЦНС (г) 38-110 без двигуна на рамі
70 750 грн.

  • Наявність: На складі


Отримати консультацію

Отримати консультацію

Телефонуйте: +38 067 364 63 17 +38 099 062 70 17 Пишіть: nasos221@gmail.com

Сертифікований товар

Сертифікований товар

Даний товар сертифікований.

Застосування: Відцентрові багатоступінчасті секційні насоси типу ЦНС(м) 38 призначені для перекачування води температурою від 20°З до 105° С, що має водневий показник рН 7…8,5, з масовою часткою механічних домішок не більше 0,05 %, розміром твердих часток не більше 0,2 мм, мікро-твердістю не більше 1,47 ГПа (147 кгс/мм2).

Характеристики: Насос повинен виготовлятися в кліматичному виконанні УХЛ, категорія розміщення 4 ГОСТ 15150-69.

Позначення:

Наприклад:: Насос ЦНС(р) 38-44:

  • ЦНС  - відцентровий насос секційний;
  • (г) - призначений для перекачування гарячої води;
  • 13    - номінальна подача в м3/год;
  • 44    - напір у м.

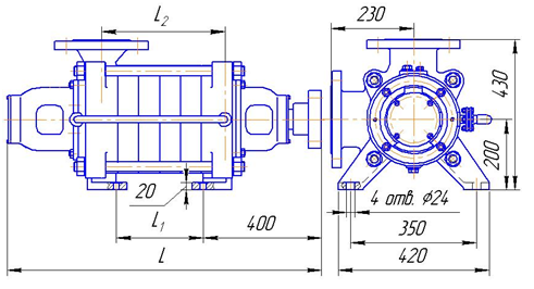
L, мм

L1, мм

L2, мм

1048

408

298

Насоси
Qmax, м3/год 38
Hmax, м 110
Допустимий кавітац. запас, м 4
Маса насоса, кг 190
Частота обертання, n/об/хв 3000
Двигун, кВт 22
Температура рідини +105°С

Написати відгук

Увага: HTML не підтримується!
    Погано           Добре