Отримати консультацію
Телефонуйте: +38 067 364 63 17 +38 099 062 70 17 Пишіть: nasos221@gmail.com
Телефонуйте: +38 067 364 63 17 +38 099 062 70 17 Пишіть: nasos221@gmail.com
Даний товар сертифікований.
Wilo-CronoTwin-DL – Здвоєний насос з сухим ротором у виконанні Inline з фланцевим з'єднанням. Два електродвигуна на одній насосної частини дозволяють працювати в алгоритмі робочий – резервний, робочий-піковий, коли додаткова щабель підключається при нестачі однієї. При виході з ладу одного електродвигуна з різних причин, робота триває на другому, поки перший знаходиться на ремонті.
Механічний сальник, який не залежить від напрямку обертання вала з робочою температурою до +140 С, робоче колесо, що має знижені кавітаційні характеристики роблять насосне обладнання серії DL єдино можливим для використання багатьох відповідальних об'єктах.
Позначення:
Технічні характеристики:
Матеріали:
Особливості/переваги
Низькі експлуатаційні витрати завдяки високому ККД
Можливе застосування в системах кондиціонування і охолодження за рахунок надійного відведення конденсату завдяки досконалої конструкції з'єднувального елемента (запатентована)
Висока ступінь захисту від корозії завдяки катафорезному покриттю.
Режим роботи «основний/резервний» або режим роботи при пікових навантаженнях (за допомогою додаткового зовнішнього пристрою)
|
|
|
| гідравлічні характеристики – одного насоса |
гідравлічні характеристики – двох насосів |

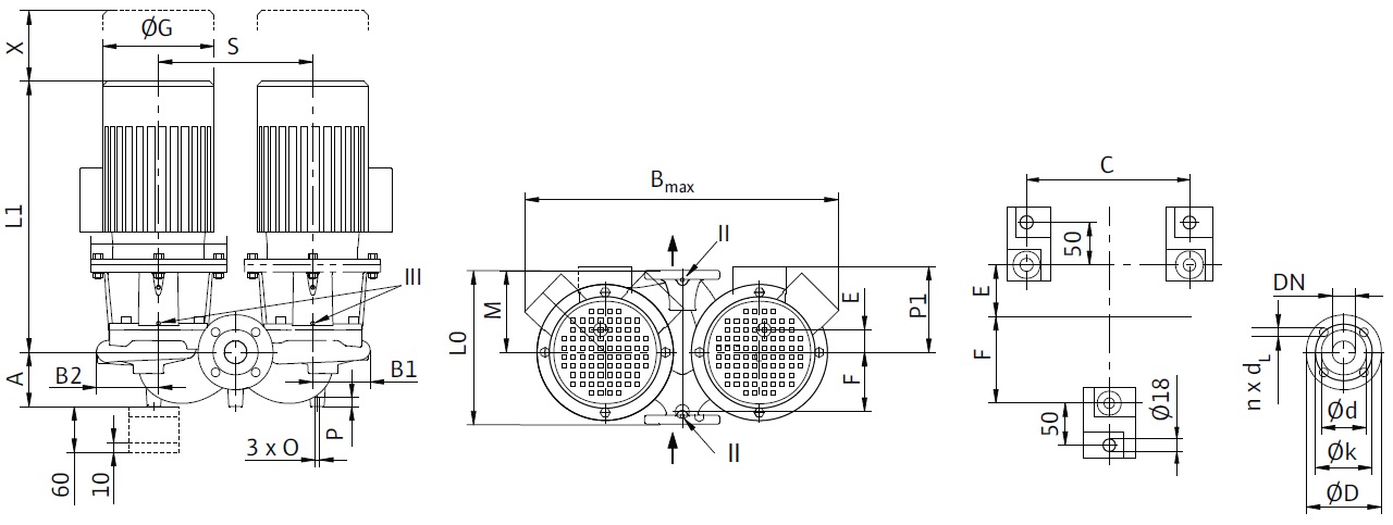
габаритний креслення
|
Номінальний внутрішній діаметр фланця/патрубка |
Габаритна довжина, мм |
Розміри, мм |
Вага, кг |
||||||||||||||
|
DN |
LO |
A |
B1 |
B2 |
bмакс. |
C |
E |
F |
ØG |
L1 |
M |
O |
P |
P1 |
S |
X |
971 |
|
150 |
770 |
230 |
314 |
329 |
1293 |
758 |
130 |
374 |
356 |
977 |
370 |
M16 |
25 |
299 |
650 |
145 |
|
|
Розміри, мм |
|||
|
Ø D |
Ø d |
Ø k |
n x Ø dL Шт. х мм |
|
285 |
211 |
240 |
8 х 23 |
| Застосування Перекачування води системи опалення (відповідно до VDI 2035), холодної води та водогліколевою суміші без абразивних включень в системах про��опления, кондиціонування та охолодження. |
ОФІЦІЙНИЙ ДИСТРИБ'ЮТОР WILO |
| Насоси | |
| Qmax, м3/год | 320 |
| Hmax, м | 21 |
| Кількість полюсів двигуна | 4 |
| Двигун, кВт | 30,00 |
| Температура рідини | от –20 до +140 °C |
| Робочий тиск | 16 бар |
| Клас ізоляції | F |
| Ступінь захисту | IP 55 |
| Кількість фаз | 3 |
| Температура навколишнього середовища | от –15 до +40 °C |