Отримати консультацію
Телефонуйте: +38 067 364 63 17 +38 099 062 70 17 Пишіть: nasos221@gmail.com
Телефонуйте: +38 067 364 63 17 +38 099 062 70 17 Пишіть: nasos221@gmail.com
Даний товар сертифікований.
Wilo-CronoTwin-DL – Здвоєний насос з сухим ротором у виконанні Inline з фланцевим з'єднанням. Два електродвигуна на одній насосної частини дозволяють працювати в алгоритмі робочий – резервний, робочий-піковий, коли додаткова щабель підключається при нестачі однієї. При виході з ладу одного електродвигуна з різних причин, робота триває на другому, поки перший знаходиться на ремонті.
Механічний сальник, який не залежить від напрямку обертання вала з робочою температурою до +140 С, робоче колесо, що має знижені кавітаційні характеристики роблять насосне обладнання серії DL єдино можливим для використання багатьох відповідальних об'єктах.
Позначення:
Технічні характеристики:
Матеріали:
Особливості/переваги
Низькі експлуатаційні витрати завдяки високому ККД
Можливе застосування в системах кондиціонування і охолодження за рахунок надійного відведення конденсату завдяки досконалої конструкції з'єднувального елемента (запатентована)
Висока ступінь захисту від корозії завдяки катафорезному покриттю.
Режим роботи «основний/резервний» або режим роботи при пікових навантаженнях (за допомогою додаткового зовнішнього пристрою)
|
|
гідравлічні характеристики – одного насоса |
гідравлічні характеристики – двох насосів |
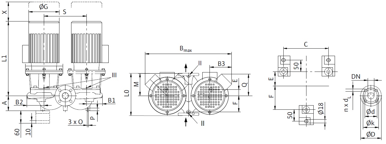
габаритний креслення
Номінальний внутрішній діаметр фланця/патрубка |
Габаритна довжина, мм |
Розміри, мм |
Вага, кг |
||||||||||||||||
DN |
LO |
A |
B1 |
B2 |
B3 |
bмакс. |
C |
E |
F |
ØG |
L1 |
M |
O |
P |
P1 |
Q |
S |
X |
313 |
80 |
400 |
155 |
144 |
160 |
- |
750 |
440 |
62 |
188 |
312 |
783 |
220 |
M12 |
20 |
250 |
- |
400 |
120 |
Розміри, мм |
|||
Ø D |
Ø d |
Ø k |
n x Ø dL Шт. х мм |
200 |
132 |
160 |
8 х 19 |
Застосування Перекачування води системи опалення (відповідно до VDI 2035), холодної води та водогліколевою суміші без абразивних включень в системах опалення, кондиціонування та охолодження. |
ОФІЦІЙНИЙ ДИСТРИБ'ЮТОР WILO |
Насоси | |
Qmax, м3/год | 127 |
Hmax, м | 40 |
Кількість полюсів двигуна | 2 |
Двигун, кВт | 11,00 |
Температура рідини | от –20 до +140 °C |
Робочий тиск | 16 бар |
Клас ізоляції | F |
Ступінь захисту | IP 55 |
Кількість фаз | 3 |
Температура навколишнього середовища | от –15 до +40 °C |