Отримати консультацію
Телефонуйте: +38 067 364 63 17 +38 099 062 70 17 Пишіть: nasos221@gmail.com
Телефонуйте: +38 067 364 63 17 +38 099 062 70 17 Пишіть: nasos221@gmail.com
Даний товар сертифікований.
Wilo-EMU FA (стандартний варіант) – Погружний насос для відведення стічних вод для тривалого режиму роботи для стаціонарного та мобільного установки в зануреному стані. Це потужне промислове обладнання, що використовується при відкачуванні великих об'ємів рідини. Застосовуються насос FA для перекачування стічних, фекальних вод у суміші з брудом, рідин з волокнистими включеннями промислового шламу і. т. д.
Конструкція: Корпус насоса виконаний з міцного чавуну, стійкого до абразивного і агресивного впливу з боку рідини. У насоси цієї серії застосовуються робочі колеса, конструктивно виконані в залежності від завдань перекачування різних рідин:
Двигун насоса захищений від впливу рідини двома ковзними і одним стаціонарним торцевими ущільненнями. Обмотки статора і ротор знаходяться в олії для більш ефективного охолодження і захисту від проникнення вологи.
Конструктивно насос забезпечений різними датчиками та пристроями, що забезпечують його безперебійну і тривалу роботу: датчики температури обмоток двигуна, датчики протікання ущільнення та інше.
В залежності від необхідних умов експлуатації насоси FA можуть бути зануреними або «сухий» установки, коли насос стоїть окремо в машинному залі, а рідина надходить через всмоктуючий патрубок. При цьому відсутність охолодження перекачуваною рідиною (як це є в умовах «мокрій» установки) двигун забезпечується охолоджуючої сорочкою, яка охолоджується перекачуваною рідиною примусово.
Ущільнення:
В залежності від типу двигуна є наступні варіанти ущільнення зі сторони перекачуваного середовища і зі сторони двигуна:
Виконання:
Особливості/переваги
Експлуатація в стаціонарному та мобільному зануреному стані
Надійне виконання з сірого чавуну
Простий монтаж завдяки пристрою для підвішування або опорі насоса
Герметичний ввід кабелю
Довжина кабелю 10 м
Допуск ATEX
|
|
гідравлічні характеристики |
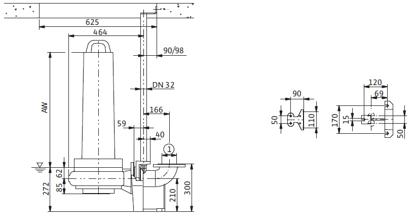
габаритний креслення. 1
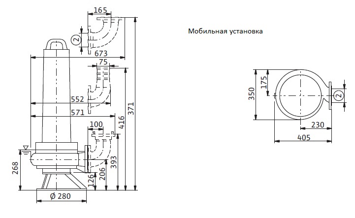
габаритний креслення. 2
AW |
мм |
491 |
Застосування Перекачування стічних вод з фекаліями в очисних спорудах та насосних станцій Каналізація населених пунктів і відведення господарсько-питної води Будівельне і промислове використання |
ОФІЦІЙНИЙ ДИСТРИБ'ЮТОР WILO |
Насоси | |
Qmax, м3/год | 96 |
Hmax, м | 27,5 |
Вільний прохід, мм | 50 |
Максимальна глибина занурення, м | 20 |
Напірний патрубок | DN 80 |
Частота обертання, n/об/хв | 2907 |
Двигун, кВт | 10,5 |
Режим роботи (у зануреному стані) | S1 |
Температура рідини | +40 °C |
Клас ізоляції | F |
Ступінь захисту | IP 68 |
Кількість фаз | 3 |