Вертикальний багатоступінчастий насос MVIL 309-16 / E / 1 ~ 230-50-2

Виробник: WILO
Модель: MVIL 309-16/E/1~230-50-2
Вертикальний багатоступінчастий насос MVIL 309-16 / E / 1 ~ 230-50-2
0 грн.

  • Наявність: На складі


Отримати консультацію

Отримати консультацію

Телефонуйте: +38 067 364 63 17 +38 099 062 70 17 Пишіть: nasos221@gmail.com

Сертифікований товар

Сертифікований товар

Даний товар сертифікований.

Wilo-Multivert MVIL - Багатоступінчастий нормальновсмоктуючий вертикальний багатоступеневий відцентровий насос високого тиску лінійного типу. Насос підходить для водорозподілу і підвищення тиску, промислових циркуляційних систем, технологічної води, контурів циркуляції охолоджуючої води. Його також можна використовувати в мийних установках, в системах зрошення.

 
 

 

Цей насос має компактну конструкцію і оснащений наскрізним насосних валом електродвигуна і не залежить від напрямку обертання ковзним торцевим ущільненням. Секції, робочі і напрямні колеса виконані з нержавіючої сталі. Корпус насоса виконаний з чавуну катафорезне з подсоединениями під овальний фланець.

Насоси Wilo серії Multivert MVIL обладнані статичними ущільненнями EPDM (EP 851) / FKM (Viton). У даному насосі встановлені ущільнення EPDM які стійкі: ультрафіолету і атмосферних впливів, кислотних середовищ з концентрацією кислоти менше 10%, органічних і неорганічних спиртів, солей та розчинів лугів (миючі засоби: натрієві і калієві луги), що окислюють чинним середах, складних ефірів, гарячої та холодної води, пару. Дозвіл до застосування у питному водопостачанні для всіх деталей, що контактують з перекачуваним середовищем

Позначення

Приклад: MVIL 107N-16/E/3-400-50-2

  • 1 подача в м3/год;
  • 07 Кількість робочих коліс;
  • N Стандартний електродвигун;
  • 16 Максимальний робочий тиск, бар;
  • E Тип ущільнення: E - EPDM;
  • 3 (фаза струму):
    • 1 - 1~ (однофазний струм);
    • 3 - 3~ (трифазний струм).
  • 400 Підключається напруга В;
  • 50   Частота в Гц;
  • 2 Кількість полюсів.

Матеріали

  • Робочі колеса з нержавіючої сталі 1.4301 (AISI 304);
  • Секції, нержавіюча сталь 1.4301 (AISI 304);
  • Вал з високоякісної сталі 1.4404;
  • Ущільнення EPDM;
  • Кришка корпусу EN-GJL-250 (катафорезне);
  • Нижня секція корпусу – EN-GJL-250 (катафорезне);
  • Ковзне торцеве ущільнення із SiC/графіту;
  • Підшипники з карбіду вольфраму.
 

Особливості/переваги
Всі деталі, які контактують з перекачуваним середовищем, виконані з нержавіючої сталі
Технологія мокрого ротора
Ергономічна, компактна конструкція
Кришка корпусу – EN-GJL-250 (катафорезне)
Нижня секція корпусу – EN-GJL-250 (катафорезне)
Дозвіл до застосування у питному водопостачанні (ACS, KTW, WRAS) для всіх деталей, що контактують з перекачуваним середовищем (версія EPDM)

 

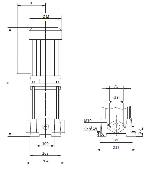
гідравлічні характеристики габаритний креслення

                                                                                                    

Фланець

Виконання насоса

Вага  прибл.

Ø D

H

Ø  M

X

M

[“]

[мм]

кг

1

592

156

133

26,1

 
Застосування
Водопостачання і підвищення тиску
Застосування в промисловості
Мийні і зрошувальні установки
Використання дощової води
Контури охолоджуючої та холодної води

ОФІЦІЙНИЙ ДИСТРИБ'ЮТОР WILO
НАЯВНІСТЬ НА СКЛАДІ
ШВИДКА ДОСТАВКА

 

 

 

 

 

 

 

Насоси
Qmax, м3/год 5
Hmax, м 102
Двигун, кВт 1,5
Температура рідини від -15°C до +90°C
Робочий тиск 16 бар
Клас ізоляції F
Ступінь захисту IP 54
Кількість фаз 1

Написати відгук

Увага: HTML не підтримується!
    Погано           Добре