Отримати консультацію
Телефонуйте: +38 067 364 63 17 +38 099 062 70 17 Пишіть: nasos221@gmail.com
Телефонуйте: +38 067 364 63 17 +38 099 062 70 17 Пишіть: nasos221@gmail.com
Даний товар сертифікований.
Wilo-Drain MTS - Погружний насос для відведення стічних рідин з вмістом фекалій для застосування в промисловості, в комунальній сфері, у тому числі для приватних вигрібних ям. Мають запатентований ріжучий механізм, який подрібнює тверді включення до розміру, необхідного для перекачування. Завдяки цьому з'являється можливість створення високих напорів, що особливо важливо при відведенні стічних вод т. к. вартість прокладки трубопроводів для звичайної безнапірної каналізації може виявитися досить високою.
При цьому значно зменшуються витрати на монтаж всієї каналізаційної системи. При монтажі насоси можуть встановлюватися стаціонарно і мобільно (всі готовими до перенесення в якусь іншу точку). Особливості ріжучого механізму насоса всієї серії MTS 40: -21-24-27-35-39:
Двигун насоса захищений ковзним торцевим ущільненням з боку насоса і манжетою з боку двигуна. Проміжна масляна камера оберігає ущільнення від перегріву і служить для їх змащування. Робоче колесо одноканальне – «закритого» типу, пропускає частки до 10 мм. Така конструкція забезпечує високий ККД насоса.
Виконання:
Ущільнення:
Особливості/переваги
Ріжучий механізм сферичної форми
Високий ККД
Низькі експлуатаційні витрати
Відсутність засмічення і блокування
Масляна камера
Висока безпека експлуатації
Стійкий до корозії мотор з нержавіючої сталі 1.4404 (316 L)
Серійна вибухозахист для всіх виконань 3~400 В
|
|
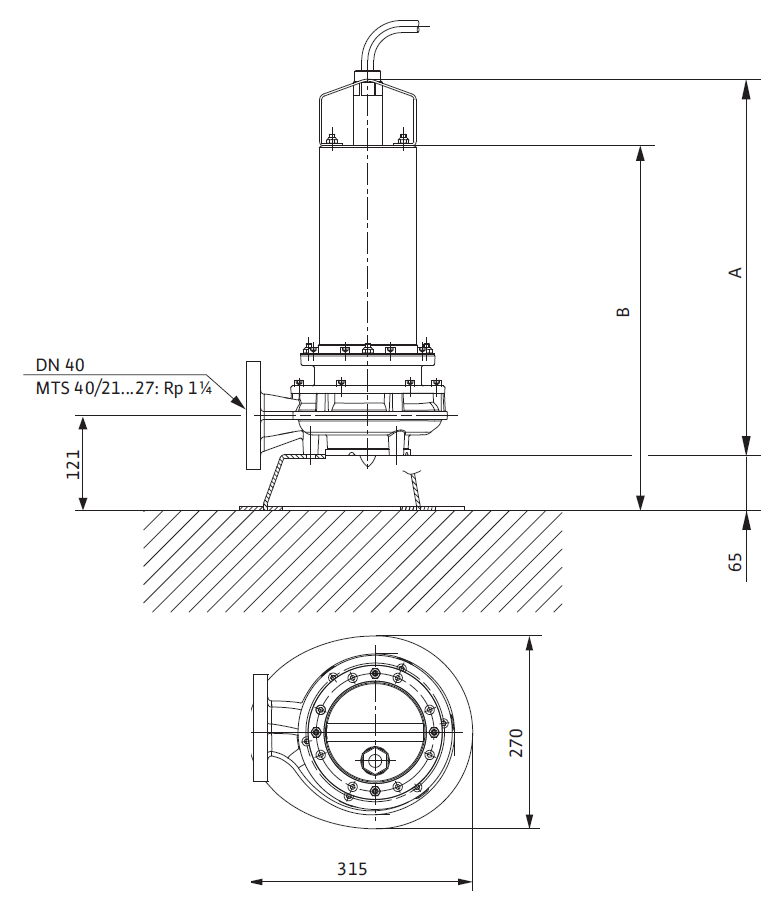
гідравлічні характеристики | габаритний креслення |
A |
B |
C |
мм |
||
498,5 |
463,5 |
469,5 |
Застосування Перекачування стічних вод з фекаліями, комунальних і промислових стічних вод також з довговолокнистими фракціями для:
|
ОФІЦІЙНИЙ ДИСТРИБ'ЮТОР WILO |
Насоси | |
Qmax, м3/год | 15 |
Hmax, м | 27 |
Максимальна глибина занурення, м | 10 |
Напірний патрубок | Rp 1¼/DN 40 |
Частота обертання, n/об/хв | 2900 |
Двигун, кВт | 1,5 |
Режим роботи (у зануреному стані) | S1 |
Температура рідини | +40 °C |
Клас ізоляції | F |
Ступінь захисту | IP 68 |
Кількість фаз | 3 |