Циркуляційний насос з мокрим ротором TOP-S 65/13 (3 ~ 400 В, PN 6/10)

Виробник: WILO
Модель: TOP-S 65/13 (3~400 В, PN 6/10)
Циркуляційний насос з мокрим ротором TOP-S 65/13 (3 ~ 400 В, PN 6/10)
60 420 грн.

  • Наявність: На складі


Отримати консультацію

Отримати консультацію

Телефонуйте: +38 067 364 63 17 +38 099 062 70 17 Пишіть: nasos221@gmail.com

Сертифікований товар

Сертифікований товар

Даний товар сертифікований.

Wilo-TOP-S - Циркуляційний насос з мокрим ротором з різьбовим або фланцевим з'єднанням. TOP S - ключові складові багатьох систем опалення в комунальних, побутових, промисловій сфері та інших об'єктів. Застосовуються часто так само в холодильному обладнанні, теплообмінниках. Входять в комплектацію більшості сучасних модульних котелень.

 
 

 

Позначення

Приклад: TOP-S 40/10

  • TOP-S Стандартний насос (з різьбовим або фланцевим з'єднанням);
  • 40/ Номінальний внутрішній діаметр;
  • 10  Номінальний напір [м] при подачі Q = 0 м3/ч.

Матеріали:

  • Корпус насоса: Сірий чавун;
  • Робоче колесо: Синтетичний матеріал;
  • Вал: Нержавіюча сталь;
  • Підшипники: металлографит.

Спорядження/функції:

  • Режими роботи:  Перемикання частоти обертання;
  • Ручне управління: Налаштування ступенів частоти обертання: 3 ступені частоти обертання (2 ступені частоти обертання у 1-фазних насосів з P2 ≥ 350 Вт);
  • Автоматичне управління: Вбудований захист від перегріву обмотки (тільки для насосів з P2 ≤ 180 Вт).

Сигналізація та індикація:

  • Захисний контакт обмотки (WSK, безпотенційний нормально замкнутий контакт) є тільки у насосів з P2 ≥180 Вт для повного захисту двигуна на всіх щаблях частоти обертання; в якості опції пропонується пристрій відключення SK 602N/SK 622N;
  • Світлова індикація напрямку обертання (тільки для 3-фазних насосів);
  • Індикація обраної ступені частоти обертання.

Керування здвоєним насосом (здвоєний насос або два одинарних насоса): Режим роботи «основний/резервний» або паралельний (для реалізації автоматичного перемикання на інший насос при несправності).

Обладнання:

  • Для насосів з фланцевим приєднанням: виконання фланця;
  • Стандартне виконання для насосів DN 40 DN 65: комбінований фланець PN 6/10 (фланець PN 16 згідно EN 1092-2) для відповідних фланців PN 6 PN 16;
  • Стандартне виконання для насосів DN 80 / DN 100: фланець PN 6 (розрахований для PN 16 згідно EN 1092-2) для відповідного фланцю PN 6;
  • Підведення кабелю можлива з двох сторін (тільки для 1 - та 3-фазних насосів з P2 ≥180 Вт);
  • Серійна теплоізоляція для насосів, які використовуються в системах опалення.

 

Особливості/переваги
Світлова індикація напрямку обертання для індикації правильного напрямку обертання (лише на 3~)
Ручне регулювання потужності з 3 ступенями частоти обертання
Корпус насоса з катафорезне (KTL) захищає від корозії при утворенні конденсату
 

 

гідравлічні характеристики

 

габаритний креслення

 

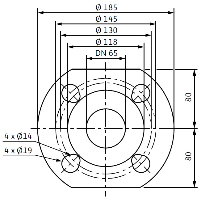
габаритний креслення фланця

 

 

 

Номінальний внутрішній діаметр фланця

Вага, кг

DN 65

27,2

                                                                                                  
 
Застосування
Системи опалення
Системи кондиціонування
Закриті контури охолодження
Промислові циркуляційні системи.

ОФІЦІЙНИЙ ДИСТРИБ'ЮТОР WILO
НАЯВНІСТЬ НА СКЛАДІ
ШВИДКА ДОСТАВКА

 

 

 

Насоси
Qmax, м3/год 50
Hmax, м 13
Частота обертання, n/об/хв 2800
Двигун, кВт 1.1
Температура рідини від –20 до +130 °C
Робочий тиск 10 бар
Клас ізоляції H
Ступінь захисту IP X4D
Кількість фаз 3

Написати відгук

Увага: HTML не підтримується!
    Погано           Добре