Здвоєний насос з мокрим ротором TOP-SD 80/10 (3 ~ 400 В, PN 6)

Виробник: WILO
Модель: TOP-SD 80/10 (3~400 В, PN 6)
Здвоєний насос з мокрим ротором TOP-SD 80/10 (3 ~ 400 В, PN 6)
148 382 грн.

  • Наявність: На складі


Отримати консультацію

Отримати консультацію

Телефонуйте: +38 067 364 63 17 +38 099 062 70 17 Пишіть: nasos221@gmail.com

Сертифікований товар

Сертифікований товар

Даний товар сертифікований.

Wilo-TOP-SD - Здвоєний насос: насос з мокрим ротором - циркуляційний насос з фланцевим з'єднанням (TOP-SD 30/5 з різьбовим з'єднанням). Два електродвигуна на одній насосної частини дозволяють працювати в алгоритмі робочий – резервний, робочий-піковий, коли додаткова щабель підключається при нестачі однієї. При виході з ладу одного електродвигуна з різних причин, робота триває на другому, поки перший знаходиться на ремонті. Передбачений легкий демонтаж двигунів та заміна на нові.

 
 

 

Відмінно працюють з газовими та твердопаливними котлами всіх типів і марок. Особливо часто вони встановлюються в ІТП багатоповерхових житлових будинків.

Позначення

Приклад: Wilo‐TOP‐SD 40/7

  • TOP-SD Стандартний здвоєний насос (помпа з фланцевим з'єднанням, TOP-SD 30/5 з різьбовим з'єднанням);
  • 40/ Номінальний внутрішній діаметр;
  • 7  Номінальний напір [м] при подачі Q = 0 м3/ч.

Матеріали:

  • Корпус насоса: Сірий чавун;
  • Робоче колесо: Синтетичний матеріал;
  • Вал: Нержавіюча сталь;
  • Підшипники: Металлографит;

Спорядження/функції:

  • Режими роботи: Перемикання частоти обертання;
  • Ручне управління: Налаштування ступенів частоти обертання: 3 ступені частоти обертання;
  • Автоматичне управління: Вбудований захист від перегріву обмотки (тільки для насосів з P2 ≤ 180 Вт).

Сигналізація та індикації:

  • Захисний контакт обмотки (WSK, безпотенційний нормально замкнутий контакт) є тільки у насосів з P2 ≥180 Вт і призначений для повного захисту двигуна на всіх щаблях частоти обертання; в якості опції пропонується пристрій відключення SK 602N/SK 622N;
  • Контрольна індикація напрямку обертання (серійно лише для 3~насосів);
  • Індикація обраної ступені частоти обертання.

Керування здвоєним насосом (здвоєний насос або два одинарних насоса): Режим роботи «основний/резервний» або паралельний (для реалізації автоматичного перемикання на інший насос при несправності).

Обладнання:

  • Для насосів з фланцевим приєднанням: виконання фланця;
  • Стандартне виконання для насосів DN 32 - DN 65: комбінований фланець PN 6/10 (фланець PN 16 згідно EN 1092-2) для відповідних фланців PN 6 PN 16;
  • Стандартне виконання для насосів DN 80: фланець PN 6 (розрахований для PN16 згідно EN 1092-2) для відповідного фланцю PN 6;
  • Консольна конструкція (тільки з горизонтальним розташуванням валу);
  • Стандартне виконання для насосів TOP-SD 40/15, 50/15, всі TOP-SD 65 і TOP-SD 80;
  • Спеціальне виконання для насосів TOP-SD 32/10, 40/3, 40/7, 40/10, 50/7, 50/10. Отвір M10 для монтажу консолі за запитом;
  • Вбудований перекидний клапан в корпусі насоса;
  • Кабельний ввід можливий з двох сторін (тільки для 1~ і 3~насосів з P2≥180 Вт).

 

Особливості/переваги
Контрольна індикація правильного напрямку обертання (лише на 3~)
Ручне регулювання потужності з 3 ступенями частоти обертання
Здвоєний насос може працювати в режимі «основний/резервний» і в режимі паралельної роботи двох насосів
Корпус насоса з катафорезне (KTL) захищає від корозії при утворенні конденсату
 

гідравлічні характеристики – одного насоса

гідравлічні характеристики – двох насосів

 

габаритний креслення

 

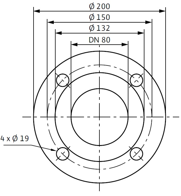
габаритний креслення – фланця

 

номінальний внутрішній діаметр фланця

Вага, кг

DN 80

57,1

                                                                                                  
 
Застосування
Системи водяного опалення
Промислові циркуляційні системи
Системи кондиціонування
Закриті контури охолодження

ОФІЦІЙНИЙ ДИСТРИБ'ЮТОР WILO
НАЯВНІСТЬ НА СКЛАДІ
ШВИДКА ДОСТАВКА

 

 

 

Насоси
Qmax, м3/год 105
Hmax, м 10
Частота обертання, n/об/хв 2800
Двигун, кВт 1.1
Температура рідини від –20 до +130 °C
Робочий тиск 6 бар
Клас ізоляції H
Ступінь захисту IP X4D
Кількість фаз 3

Написати відгук

Увага: HTML не підтримується!
    Погано           Добре