Отримати консультацію
Телефонуйте: +38 067 364 63 17 +38 099 062 70 17 Пишіть: nasos221@gmail.com
Телефонуйте: +38 067 364 63 17 +38 099 062 70 17 Пишіть: nasos221@gmail.com
Даний товар сертифікований.
Wilo-TOP-S - Циркуляційний насос з мокрим ротором з різьбовим або фланцевим з'єднанням. TOP S - ключові складові багатьох систем опалення в комунальних, побутових, промисловій сфері та інших об'єктів. Застосовуються часто так само в холодильному обладнанні, теплообмінниках. Входять в комплектацію більшості сучасних модульних котелень.
Позначення
Приклад: TOP-S 40/10
Матеріали:
Спорядження/функції:
Сигналізація та індикація:
Керування здвоєним насосом (здвоєний насос або два одинарних насоса): Режим роботи «основний/резервний» або паралельний (для реалізації автоматичного перемикання на інший насос при несправності).
Обладнання:
Особливості/переваги
Світлова індикація напрямку обертання для індикації правильного напрямку обертання (лише на 3~)
Ручне регулювання потужності з 3 ступенями частоти обертання
Корпус насоса з катафорезне (KTL) захищає від корозії при утворенні конденсату
|
|
|
|
гідравлічні характеристики
габаритний креслення
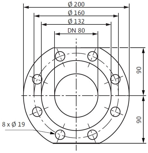
габаритний креслення фланця
|
|
|
Номінальний внутрішній діаметр фланця |
Вага, кг |
|
DN 80 |
23,2 |
| Застосування Системи опалення Системи кондиціонування Закриті контури охолодження Промислові циркуляційні системи. |
ОФІЦІЙНИЙ ДИСТРИБ'ЮТОР WILO |
| Насоси | |
| Qmax, м3/год | 50 |
| Hmax, м | 7 |
| Частота обертання, n/об/хв | 2700 |
| Двигун, кВт | 0.45 |
| Температура рідини | від –20 до +130 °C |
| Робочий тиск | 10 бар |
| Клас ізоляції | H |
| Ступінь захисту | IP X4D |
| Кількість фаз | 3 |