Насосна шахта WS 40E / CUT GI03

Виробник: WILO
Модель: WS 40E/CUT GI03
Насосна шахта WS 40E / CUT GI03
0 грн.

  • Наявність: На складі


Отримати консультацію

Отримати консультацію

Телефонуйте: +38 067 364 63 17 +38 099 062 70 17 Пишіть: nasos221@gmail.com

Сертифікований товар

Сертифікований товар

Даний товар сертифікований.

Wilo-DrainLift WS 40-50 Basic - Насосна шахта з вбудованим насосом з можливістю монтажу в грунті або в якості підлогової установки в будівлі. Wilo-DrainLift WS 40-50 Basic є автоматичною установкою водовідведення, яка може використовуватися як одне або двох насосної установки. Установку можна монтувати як в будинку в якості напірної установки, так і поза будівлі в якості звичайної шахти, яка встановлюється в грунті.

 
 

 

Краще всього установка підходить для сезонного відведення забрудненої води (у кемпінгах, на дачах…) або для використання в регіонах з незначною глибиною промерзання грунту.

Конструкція:

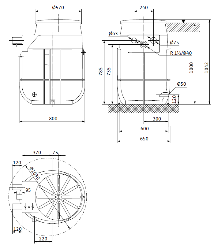
  • Для підвідного трубопроводу згідно DN 100/DN 150
  • Під'єднання воздухоотвода DN 70
  • Висока ступінь захисту від протитиску і жорсткість конструкції завдяки ребристість
  • Вибір вхідних патрубків на місці
  • Виконання: WS...E:
  • Однонасосна установка;
  • WS...D: Двухнасосная установка

Спорядження/функції: Укомплектована, готова до під'єднання насосна шахта з трубами і насосом.

Вживані насоси Rexa UNI V05 / V06:

  • Виконання з вільнопротічним робочим колесом
  • Без вибухозахищеного виконання
  • Доступні однофазні і трифазні виконання
  • Доступно виконання з підключеним поплавковим вимикачем

Матеріали:

  • Шахтна насосна станція: поліетилен (ПЕ)
  • Внутрішній трубопровід: 1.4404
  • Розташована над водою муфта: PUR
  • Кульковий зворотний клапан: Сірий чавун
  • Засувка: бронза

 

Особливості/переваги
Універсальне використання: в якості установки водовідведення усередині будівлі, або в якості шахтної насосної станції поза будівлі.
Гнучкість завдяки вільному вибору місця приєднання припливного трубопроводу
Великий об'єм резервуара
Розташована над водою муфта з корозійностійкого поліуретану
 

 

 

гідравлічні характеристики  

 

 

габаритний креслення


 

Застосування
Перекачування попередньо очищених стічних вод без фекалій, які неможливо відвести в каналізаційну систему за рахунок природного перепаду висот, а також для відводу стоків, рівень води яких нижче рівня зворотного підпору в місцевої каналізаційної мережі.

ОФІЦІЙНИЙ ДИСТРИБ'ЮТОР WILO
НАЯВНІСТЬ НА СКЛАДІ
ШВИДКА ДОСТАВКА

                                                             

 

 

 

 

Насоси
Qmax, м3/год 62
Hmax, м 28
Відвід повітря DN 70
Загальний обсяг резервуара, л 255
Напірний патрубок DN 40,R 1 1/2
Підвідний патрубок DN 150/ DN 100
Робочий тиск 6

Написати відгук

Увага: HTML не підтримується!
    Погано           Добре