Отримати консультацію
Телефонуйте: +38 067 364 63 17 +38 099 062 70 17 Пишіть: nasos221@gmail.com
Телефонуйте: +38 067 364 63 17 +38 099 062 70 17 Пишіть: nasos221@gmail.com
Даний товар сертифікований.
Wilo-Yonos MAXO-D - Циркуляційний насос з мокрим ротором, з фланцевим з'єднанням, електронно-двигун електродвигуном з автоматичним регулюванням потужності. Два електродвигуна на одній насосної частини дозволяють працювати в алгоритмі робочий – резервний, і робітник-піковий, коли додаткова щабель підключається при нестачі однієї. При виході з ладу одного електродвигуна з різних причин, робота триває на другому, поки перший знаходиться на ремонті.
Відмінно працюють з побутовими газовими котлами всіх типів і марок. Особливо експлуатуються в приватних домогосподарствах з газовими та котлами на твердому паливі для поліпшення циркуляції теплоносія і як результат зменшення споживання газу і особливо здійснення контролю системи циркуляції в автоматичному режимі при заданих параметрах насоса.
Матеріали:
Спорядження/функції:
Режими роботи:
Ручне управління:
Автоматичне управління:
Сигналізація та індикація:
Функція здвоєного насоса:
Обладнання:
Особливості/переваги
Світлодіодний індикатор забезпечує індикацію заданих значень напору, ступені частоти обертання або можливих помилок
Зручна настройка за допомогою трьох ступенів частоти обертання при заміні нерегульованого стандартного насоса
Спрощене электроподсоединение Wilo
Забезпечення готовності (надійності) системи завдяки узагальненої сигналізації несправності
Компактна конструкція і надійне просте управління
|
|
|
|
гідравлічні характеристики
габаритний креслення
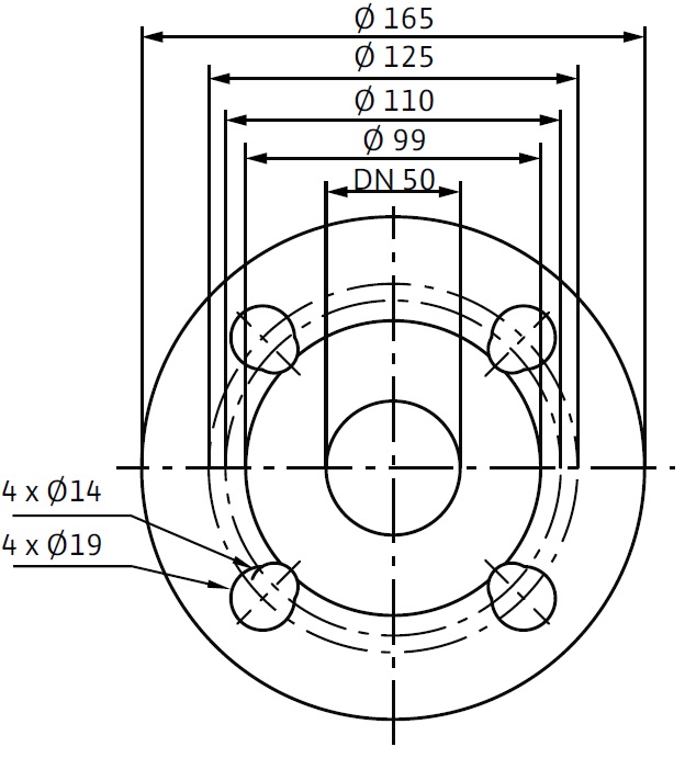
габаритний креслення фланця
|
|
Номінальний внутрішній діаметр фланця |
Індекс енергоефективності |
Вага |
|
DN 50 |
≤ 0,27 |
кг |
|
26 |
| Застосування Системи опалення Системи кондиціонування Закриті контури охолодження Промислові циркуляційні системи. |
ОФІЦІЙНИЙ ДИСТРИБ'ЮТОР WILO |
| Насоси | |
| Qmax, м3/год | 22 |
| Hmax, м | 11 |
| Частота обертання, n/об/хв | 950 - 4400 |
| Двигун, кВт | 0.5 |
| Температура рідини | від -20° C до +110° C |
| Робочий тиск | 10 бар |
| Клас ізоляції | F |
| Ступінь захисту | IP X4D |
| Кількість фаз | 1 |