Отримати консультацію
Телефонуйте: +38 067 364 63 17 +38 099 062 70 17 Пишіть: nasos221@gmail.com
Телефонуйте: +38 067 364 63 17 +38 099 062 70 17 Пишіть: nasos221@gmail.com
Даний товар сертифікований.
Опис: Фекальний насос GRP з подрібнювачем. Завдяки моделей даної серії здійснюється перекачка сильно забруднених рідин, що містять волокнисті включення.
Конструкція: Каркас і крильчатка насоса виконані з чавуну, вал і кріплення – з нержавіючої сталі. Вироби оснащені механічними ущільненнями з ЅіС і графіто-глиноземний суміші, двигуном сухого типу (екологічним), системою Anti Clogging System, яка захищає від засмічення (завдяки особливій обробці гідравлічної частини, що виштовхує тверді частинки). Подрібнювальне пристрій складається з ножа трикутної форми та пластини з заточеними отворами. Завдяки цій системі, волокнисті включення подрібнюються, прохід забруднених рідин забезпечується без ризику заклинювання крильчатки.
Область застосування: Фекальні насоси серії GR оснащені крильчаткою з измельчительной функцією, що дозволяє успішно застосовувати їх при роботі з рідинами, що містять тверді волокнисті включення. Затребуваний в професійній і побутовій сфері для відведення каналізаційних стоків та ін
Матеріали:
Загальні характеристики:
Обмеження використання:

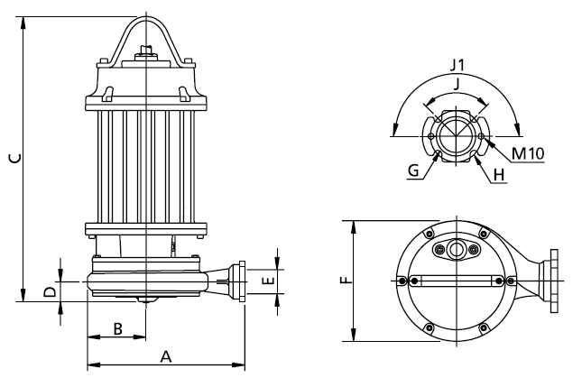
|
A |
B |
C |
D |
E |
F |
G |
H |
J |
J1 |
кг |
|
350 |
130 |
670 |
80 |
G 2” |
270 |
14 |
90 |
90° |
180° |
91 |
| Насоси | |
| Qmax, м3/год | 22 |
| Hmax, м | 50,7 |
| Макс. акустичний тиск, дБ | 70 |
| Максимальна глибина занурення, м | 20 |
| Двигун, кВт | 7,2 |
| Температура рідини | +40 °C |
| Кількість фаз | 3 |